Как подключить понижающий трансформатор
Подготовительные этапы:
- Удостоверяются, что используемый аппарат именно трансформатор напряжения (есть еще токовые). Для подсоединения нагрузки выбирать надо катушку с самим большим числом витков и сопротивлением.
- У анодно-накальных вариантов устройств есть обмотки всех видов. Узнать первичку можно, посмотрев на ее выводы — они обычно на отдалении от остальных. Иногда такие витки обособлены в другом сегменте каркаса, тогда узнать ее еще проще. Также в интернете есть много тематических форумов, поэтому уточнить там параметры прибора и где какой вывод не составит труда.
- Обязательно проверяют величину напряжения, частоту ТН — должно быть 220 В и 50 Гц.
- Иногда у сетевой обмотки есть 3 вывода, один из них для сети 110 или 127 В. Наша цель — скомбинировать их так, чтобы сопротивление было максимальным, и именно на них надо подавать 220 В.
- Если ввода не 3, а 4, то это модель с 2 катушками, которые соединяют перемычкой из проводка последовательно, синфазно. Вначале делают его, затем обмотки подключаются к вольтметру с пределом 500 В. Далее, на одну из нагрузочных обмоток дают несколько Вольт (можно применить батарейку). Нельзя касаться выводов сетевых витков при этом.
- Записывают результаты тестера, отключают его, меняют местами выводы любой из первой катушки, повторяют процесс.
- Выбирают вариант с наибольшим значением.

Если обмотка одна, ее желательно присоединять к сети через предохранитель. Номинал по току подбирается под трансформатор — не больше 0.05 А на 10 Вт.
Порядок подсоединения
Само включение элементарное. Достаточно помнить главные правила:
- К контактам вторичной катушки подсоединяют нагрузку, затем на первичку подают 220 В. Аппарат для этого можно подключить напрямую к проводке (скруткой, клеммами), в том числе и непосредственно в щитке, или снабдить его выводы шнуром с вилкой к розетке 220 В и наружной розеткой для подключаемых приборов.
- Нагрузка идет к обмотке с большим сопротивлением.

Главное в подключении — не перепутать обмотки и выводы, учесть принцип работы понижающего трансформатора 12, 24, 36 В: нагрузка идет к вторичке и если она имеет несколько контактов, то на выходе можно получить разный вольтаж, например, не 36, а 24 В. Поэтому требуется проверка вольтметром, мультиметром, как описано в предыдущем разделе.
Наглядный пример с иллюстрациями
Схема обычного трансформатора:

Вход — это первичка, туда подается 220 В. Как видно на схеме, у некоторых ТН есть выводы и на 110 В. С выхода снимается уже 36 В или иной уменьшенный вольтаж.

Потребители, запитываемые постоянным током, должны иметь выпрямитель, диодный мост и прочее, — это будет уже блок питания, для ламп накаливания этого не нужно.
Расчет должен учесть, что у некоторых трансформаторов есть две раздельные обмотки на выходе, которые нужно соединить внешним проводом.
В нашем случае модель обычная, на изображении ТН расположен соответственно схеме: большая катушка — вход (тут два контакта для 220 В), меньшая — выход.

Если земерить тестером (режим на отметке 2000 Ом), то сопротивление больше на первичке, чем на вторичке, таким образом определяем где какие витки.

Есть трансформаторы с двумя одинаковыми обмотками — на одной 110 В и на другой также 110 В. Для получения 220 В их надо правильно соединить, иначе получится короткое замыкание. Соединяют выход как показано на изображении: нижний контакт к нижнему. Аналогично подсоединяем два проводка от сети 220 В и меряем сопротивление (второе фото).

Вторичка намотана в данном случае сверху (то есть, тут две катушки, но каждая включает и сетевую, и нагрузочную). В ней можно соединять выводы двух намоток как угодно, но если сделать это не по порядку, то увеличится сила тока в 2 раза. Если же соединить последовательно (положение пальцев на фото), то, например, расчет будет таким: 18 В + 18 В = 36 В, что нам и требуется. Такие преобразователи удобные в определенных условиях: можно либо увеличивать ток в 2 раза, либо напряжение (уже уменьшенную величину, на выходе).

Есть также трансформаторы с множеством контактов для входа (первичка, первое изобр.) и выхода (второе фото), снять с которого можно разное напряжение в зависимости от порядка соединения их контактов. Принцип комбинации подобный вышеописанному, но мы не будем тут указывать его конкретно, поскольку моделей таких изделий много. Проще всего пользователю обратиться к паспорту изделия или на спецфорумы. На 1 фото замеры сопротивления на первичке, но подключаться нагрузкой надо к вторичке (2 и 3 фото), а она будет иметь больший показатель.

Общее устройство и принцип работы
Понижающий трансформатор с 220 на 12 вольт покупают водители, дачники, владельцы загородных домов, коттеджей для устройства внутридомовой низковольтной осветительной сети. Временами использование электрического питания 220 вольт в домашнем обиходе экономически нерационально.
Изделие состоит из четырех главных деталей: двух стержней-сердечников и двух катушек из медной проволоки требуемого сечения и длины. Называются обмотками, содержащими неравное количество витков. Стержни-сердечники изготавливают из специальной стали, используемой в электротехнической отрасли. На трансформатор 220 подают ток стационарной электросети.
В первичной обмотке начинается интенсивное движение электронов, создается электродвижущая сила. Образуется магнитное поле, пересекаемое второй обмоткой. В ней появляются электрические потенциалы, поскольку магнитное поле первой катушки вызывает во второй самоиндукцию (движение электронов). Возникает разность электрических уровней, стремящихся уравнять потенциальные значения до нуля.
Перелив электронов с высокого потенциала на конечный нулевой рождает электрический ток. Напряжение во вторичной обмотке зависит от того, во сколько раз в ней меньше витков, чем в первой. Следует помнить, что понижающее электротехническое устройство генерирует в концевой обмотке переменное напряжение с изменением полярности 50 раз в секунду. Получают и постоянный ток, подключая в систему выпрямитель, чтобы на выходе иметь 12 вольт прямого тока.
Watch this video on YouTube
Существует большой ассортимент электронных понижающих изделий, не содержащих сердечников, катушек.
Понижающими устройствами являются микроскопические электронные схемы в соединении с конденсаторами, резисторами и другими важными элементами. Перед традиционными преобразователями тока имеют неоспоримые преимущества, заключающиеся:
- в компактности;
- в весе;
- в ручной регулировке пониженного напряжения;
- в бесшумной работе;
- в высоком КПД.
Покупатель может выбирать тот трансформатор, в котором нуждается. Это его право.
Изготовленный собственными руками трансформатор рекомендуется эксплуатировать, спрятав его за стенками металлического или деревянного корпуса, имеющего естественную вентиляцию.
Как самому собрать понижающий трансформатор
Первым этапом сборки для ТН будет расчет. Затем рассмотрим сам процесс.
Исчисления
Задаем исходные данные для преобразователя 220/12 В:
- вход/выход — 220/12 В;
- площадь попер. сечен. сердечн. S = 6 кв. см.
Расчет числа витков катушки:
Первичка N1 = 60×220/6 = 2200 витков
Вторичка N2 = 60×12/6 = 120 витков.
Сборка
Подготовка материалов:
- медная проволока в шелковой/бумажной изоляции: для первички — сечение 0.3 мм², для вторички — 1 мм². Для последней цифры подключаемая нагрузка в цепи должна иметь до 10 А. В продаже есть также специальный обмоточный провод (эмальпровод), его также можно снять с других трансформаторов. Также допустимо применить обычную медную жилу в пластиковой изоляции;
- 5–6 шт., или больше по потребности, консервных банок: их жесть применим для создания сердечника;
- картон — толстый, жесткий;
- лакоткань (ленточная изоляция);
- парафинированная бумага.
Этапы
Порядок как сделать трансформатор своими руками:
- из банок вырезают 80 полос 30×2 см. Жесть подвергают отжигу: раскаливают в печи, оставляют остывать там. Суть именно в постепенном, как можно более медленном охлаждении: сталь размягчается и теряет упругость;
- пластины очищают, покрывают лаком, каждая оклеивается с одной стороны тонкой бумагой — папиросной, с парафином, калькой;
- из картона делают каркас под обмотки. Он состоит из ствола и щечек, обматывается несколькими слоями парафинированной бумаги, ее можно заменить на чертежную кальку;
- виток к витку наматывают проволоку, через каждые 2–3 слоя прокладывают пропарафиненную изоляцию;
- после окончания намотки первички фиксируют концы жилы на щечках, катушка обматывается 5 слоями бумаги;
- намотка на вторичике по направлению должна совпадать с таковым на первичке;
- зафиксировав на второй каркасной щечке выводы нагрузочных катушки, ее также заматывают в бумагу;
- пластины помещают на половину в катушку, затем ними огибают каркас (зазор между этими элементами обязательный), чтобы концы сошлись под ней;
- ТН закрепляют, например, скобами на куске деревянной доски. Последний этап — концы выводятся на основу, оснащаются контактами.
Можно сделать расчет по аналогии как описано и создать ТН одновременно для двенадцати и двадцати четырех вольт, что затребовано при использовании разных светильников. Наматывают 240 витков, но со 120-го выводят контакт в форме петли.
https://youtube.com/watch?v=w2yivnIOSnw
Особенности выбора трансформатора
В процессе выбора трансформатора для галогенных светильников на 12 вольт обязательно учесть определённые факторы. В первую очередь определяют тип устройства: электронный или электромагнитный адаптер
. В последнее время предпочтение отдают электронным преобразователям для галогенных источников света, которые благодаря своей незначительной массе и габаритам могут использоваться в любой сфере электротехники.
Как это достигается через понижающий трансформатор. И этот тип схемы очень распространен. Вот почему понижающие трансформаторы еще более распространены и используются, чем повышающие трансформаторы. И, конечно же, понижающие трансформаторы также используются, когда вам нужно преобразовать энергию из страны, которая использует меньшую мощность для страны, которая использует большую мощность.
Таким образом, зная все это использование трансформаторов, будь то повышение или понижение, показывает, насколько важны трансформаторы. Они жизненно важны для многих, многих схем, практически всех схем, имеющих вилку. Таким образом, в этой схеме очень просто, мы демонстрируем, как подключить силовой трансформатор, чтобы мы могли работать в цепи.
Главным параметром понижающего трансформатора вне зависимости от типа устройства является мощность прибора
. Из-за того, что в большинстве случаев используется параллельная схема подключения галогенных ламп, то мощностные показатели трансформатора должны приравниваться к суммарной мощности всех осветительных приборов. Например, если подключается две лампы по 40 Вт, то мощность преобразователя составляет 80 Вт плюс запас 10-15%.
В этой схеме мы будем использовать понижающий трансформатор. Поэтому трансформаторы жизненно важны. Схема, которая демонстрирует, как включить трансформатор в схему, показана ниже. Ниже представлен макет схемы выше. Это низкочастотное устройство с огромной эффективностью преобразования. Преобразование постоянного тока в переменный ток достигается с помощью мощного тороидального трансформатора. Энергосберегающий режим с приоритетом потребления батареи.
Контроллер защищает перезаряжаемую батарею и используется для всех типов батарей. Если электрическая мощность 220 В больше не доступна, инвертор автоматически переключается на аккумулятор. Приоритет батареи — работа панели солнечных батарей Если приоритет установлен на батареях, инвертор сначала потребляет батарею, хранящуюся в батареях, до тех пор, пока минимальное напряжение батареи не достигнет 5 В, а затем автоматически переключится на сеть или генератор. Аккумулятор автоматически заряжает до 13, 3 В выпрямитель, а затем переключается обратно в режим работы от батареи.
Естественно, приобретение трансформатора с чрезмерным мощностным запасом нецелесообразно по той простой причине, что в значительной степени возрастает стоимость прибора. Помимо этого, такое несоответствие приводит к поломке преобразователя, а часто и галогенных ламп. Каждый адаптер имеет минимальные показатели нагрузки
, необходимые для стабильной работы прибора.
Выходные параметры напряжения трансформатора должны соответствовать номинальным показателям галогенных ламп. Стандартные источники света выпускаются с номинальными параметрами напряжения 6, 12 и 24 В. Но самую большую популярность получили 12 вольтовые источники света
. Если галогенное освещение монтируется в помещениях с высокой влажностью, то нужно приобретать преобразователь, имеющий гальваническую развязку.
Для подключения к адаптеру большого числа осветительных приборов на 12 вольт не всегда целесообразно использовать один дорогой прибор
с большими мощностными показателями. Зачастую лучше приобрести несколько бюджетных устройств с меньшей мощностью и использовать их для подключения отдельных групп галогенных источников света.
Такой вариант более практичен, так как в случае выхода из строя одного из нескольких адаптеров гореть не будет только одна группа светильников, в то время как все остальные лампы будут и дальше освещать квартиру. При этом замена одного маломощного прибора для ламп будет значительно дешевле
, чем покупка дорогостоящего мощного понижающего трансформатора, так как его цена пропорциональна его мощностным показателям.
Как выбрать понижающий трансформатор
В первую очередь необходимо смотреть на его мощность и исполнение. Мощность обязана быть с запасом, то есть больше суммарной потребляемой мощности подключаемых светильников.
Чтобы определить суммарную мощность, достаточно сложить все мощности ламп и/или иных приборов, которые планируется подключить. К полученному результату накиньте еще 20% для запаса.
Пример. Допустим, имеется 5 лампочек мощностью по 10Вт и 5 лампочек по 15Вт. Суммарная мощность все сети освещения будет 125Вт, прибавим еще 20% и получим 150Вт. Таким образом, нам необходимо купить понижающий трансформатор 220/12В мощностью не менее 150Вт. Посещаем магазин, находим наиболее близкую мощность более 150 и покупаем.
При его монтаже на улице, потребуется устройство пылевлагозащищенного исполнения (лучше в корпусе из нержавеющей стали). Между тем, при большом расстоянии до светильников необходимо располагать трансформатор на улице. Это связано с падением напряжения на кабеле большей длинны.
Протяженность кабельной линии от источника до ламп обязана быть не более 3-5 метра. В случае если это расстояние увеличить, то в кабеле появятся большие потери (провод начнет греться).
Для количественной оценки падения напряжения в кабеле можно воспользоваться простой формулой:
Где
W – суммарная мощность всех потребителей, подключенная к данному проводу, Вт;
V – напряжение источника тока, как правило, 12В или 24В;
L – длина провода, м;
S – площадь сечения провода, мм²;
ρ – значение удельного электрического сопротивление, для меди это примерно 0,018 Ом·мм²/м, для алюминия – 0,0295 Ом·мм²/м;
Для количественной оценки падения мощности на проводах можно воспользоваться следующей формулой:
Если эта мощность получится слишком большой, то, единственное верное решение для уменьшения потерь – это увеличить сечение проводника, иначе останется только гадать, что случится раньше – возгорание проводов или выход из строя светильников.
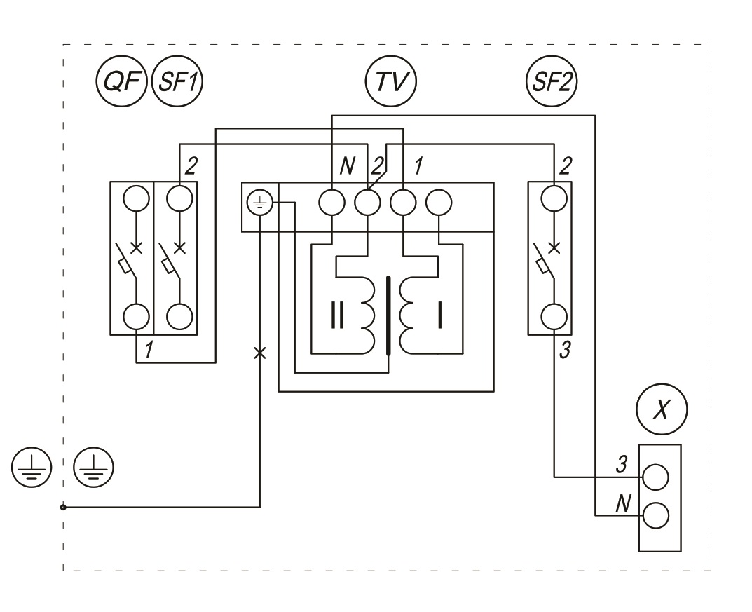
Но в том случае, когда удаленность потребителей до источника питания небольшое, трансформатор целесообразнее поставить в помещении, в непосредственной близости от источника питания 220 В – например, около щитка или в щите (на сегодняшний день производители изготавливают понижающие трансформаторы с креплением на DIN-рейку).

Понижающие трансформаторы на дин рейку легко устанавливаются в распределительные щиты и при этом в зависимости от модели занимают места всего от 2 до 6 модулей. Первичная обмотка у них электрически отделена от вторичной, что обеспечивает дополнительную защиту для людей. Имеется защита от перегрузок, выполненная на тепловое реле.
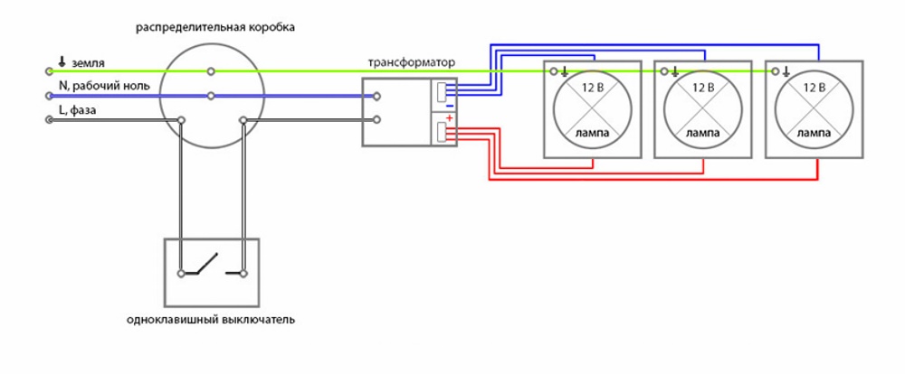
Подключение ламп к трансформатору
Для создания простой системы освещения ламп на 12В потребуются следующие элементы:
- Одноклавишный выключатель. Для установки выключателя внутри ванной следует выбирать модель устройства с защитой от влаги не ниже IP X3, а лучше — IP X4, где Х — степень защиты от пыли (в данном случае может быть любой), а цифра — степень защиты от влаги. Показатель 3 означает защиту от брызг, которые летят под углом до 60°, 4 — стойкость к всесторонним брызгам и каплям.
- При вынесении выключателя за границы помещения с повышенной влажностью тип выключателя не имеет значения, но проводку следует осуществлять скрытым способом согласно требованиям правил устройства электроустановок (ПУЭ).
- Распределительная коробка. Используется для упрощения последующего ремонта или переоборудования системы освещения. В условиях ванной комнаты лучше всего использовать модели с защитой от пыли и влаги не ниже IP55.
- Импульсный трансформатор 220 12 вольт. Как уже упоминалось ранее, данное устройство используется для преобразования напряжения сети с 220 до 12В.
- Система освещения с галогенными лампами. Все лампы подключаются к трансформатору параллельно клеммам устройства с маркировкой Output («Выход»). Подсоединение производится при помощи отдельных медных проводов, сечение которых составляет не менее 1,5 мм 2 . Чтобы добиться равномерного свечения всех ламп, следует выбирать провода со строго одинаковыми сечением и длиной.
Электрические провода, подключенные к выключателю, подводят к распределительной коробке, где их соединяют с кабелями, подключенными к входным клеммам трансформатора
При этом важно соблюдать цветовую маркировку кабелей, так как это облегчит будущий возможный ремонт или переоборудование системы освещения. От трансформатора посредством клемм выхода провода параллельно подключают к галогенным лампам, соблюдая одинаковую длину и сечение отдельных проводов
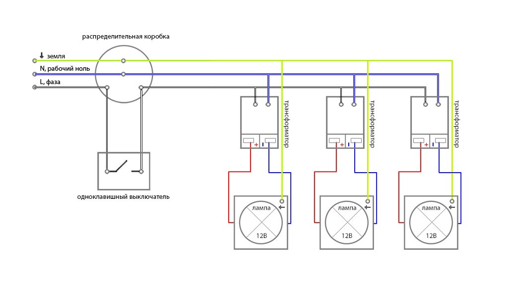
Существуют и другие, более сложные схемы подключения системы освещения. Например, при парном количестве ламп их разбивают на две группы, каждую из которых подключают к отдельному трансформатору. В результате получаем две относительно независимые группы светильников. При выходе из строя трансформатора в одной части системы вторая продолжает полноценно функционировать. Еще одно преимущество такого способа подключения состоит в том, что стоимость двух отдельных трансформаторов невысокой мощности может оказаться даже ниже, чем цена одного мощного устройства.
Похожим образом, имея два трансформатора, легко осуществить подключение к двухклавишному выключателю, что позволит управлять двумя независимыми друг от друга половинами системы освещения.
Расчеты параметров
На простом трансформаторе первичная обмотка имеет 440 витков для 220 вольт. Получается на каждые два витка по 1 вольту. Формула для подсчета витков по напряжению:
Будет интересно Как сделать регулятор мощности на симисторе своими руками
N = 40-60 / S, где S – площадь сечения сердечника в см2. Константа 40-60 зависит от качества металла сердечника. Сделаем расчет для установки обмоток на магнитопровод. В нашем случае у трансформатора окно 53 мм по высоте и 19 мм по ширине. Каркас будет текстолитовый. Две щеки внизу и вверху 53 – 1,5 х 2 = 50 мм, каркас 19 – 1,5 = 17,5 мм, окно размером 50 х 17,5 мм.
- Обмотка простого трансформатора высокого напряжения 2,18 х 450 = 981 виток.
- Низковольтная для накала 2,18 х 5 = 11 витков.
- Низкого напряжения накальная 2,18 х 6,3 = 14 витков.
Рассчитываем необходимый диаметр проводов. Мощность сердечника трансформатора своими руками по габаритам 170 ватт. На обмотке сети ток 170 / 220 = 0,78 ампера. Плотность тока 2 ампера на мм2, стандартный диаметр провода по таблице 0,72 мм. Заводская обмотка из провода 0,5, завод сэкономил на этом.
https://youtube.com/watch?v=O50q1tpd2po
Магнитопровод в сборе вместе с узлами и соединительными элементами образует остов трансформатора. Деталь, на которую намотаны обмотки, является стержнем. Область системы, предназначенная для замыкания цепи и не несущая витков контура, называется ярмом. Расположение в пространстве стержней служит для разделения системы на следующие виды.

Виды расположения стержней.
Количество витков первичной обмотки
Берем провод 0,35 мм, 50 / 0,39 х 0,9 = 115 витков на один слой. Количество слоев 981 / 115 = 8,5. Из середины слоя не рекомендуется делать вывод для обеспечения надежности. Рассчитаем высоту каркаса с обмотками.
Первичная из восьми слоев с проводом 0,74 мм, изоляцией 0,1 мм: 8 х (0,74 + 0,1) = 6,7 мм. Высоковольтную обмотку лучше экранировать от других обмоток для предотвращения помех высоких частот. Для того, чтобы мотать трансформатор, делаем обмотку экрана из одного слоя провода 0,28 мм с изоляцией из двух слоев с каждой стороны: 0,1 х 2 + 0,28 = 0,1 х 2 = 0,32 мм.

Процесс намотки катушки трансформатора.
Первичная обмотка будет занимать места: 0,1 х 2 + 6,7 + 0,32 = 7,22 мм. Повышающая обмотка из 17 слоев, толщина 0,39, изоляция 0,1 мм: 17 х (0,39 + 0,1) = 6,8 мм. Поверх обмотки делаем слои изоляции 0,1 мм. Получается: 6,8 + 2 х 0,1 = 7 мм. Высота обмоток вместе: 7,22 + 7 = 14,22 мм. 3 мм осталось для накальных обмоток.
Можно сделать расчет внутренних сопротивлений обмоток. Для этого рассчитывается длина витка, берется длина провода в обмотке, определяется сопротивление, зная удельное сопротивление по таблице для меди.
При расчете сопротивления секции первичной обмотки получается разница около 6-ти Ом. Такое сопротивление даст падение напряжения 0,84 вольта при токе номинала 140 миллиампер. Чтобы компенсировать это падение напряжения, добавим два витка. Теперь во время нагрузки секции равны по напряжению.
Выбор готового решения, критерии
Магазины электротехники и электроники предлагают готовые бытовые трансформаторы для различных нужд. Выбирая необходимое устройство, нужно руководствоваться следующими критериями:
- Параметрами входного напряжения. Корпус прибора должен быть отмечен маркировкой 220 или 380 В. В данном случае необходим бытовой вариант для сети 220 вольт.
- Параметрами входного напряжения, которые должны соответствовать 12 В.
- Мощностью. Для этого предварительно подсчитывают суммарную нагрузку, которая будет запитана через трансформатор. Данный показатель устройства должен превышать расчетное значение минимум на 20%.
При помощи трансформатора, преобразующего 220 до 12 В, можно хорошо сэкономить на защитных материалах и кабеле, реализовав на его основе бытовую систему освещения, применив галогеновые лампы и светодиодные ленты. Это безопасная схема в плане поражения электротоком, к тому же защищенная от перепадов напряжения и короткого замыкания. Подобные системы исключают возможность возникновения пожаров.
На видео рассказ про покупку готового решения
https://youtube.com/watch?v=M06t3NiMT5M
Виды и строение трансформаторов на 12В
Современная промышленность выпускает два основных типа трансформаторов:
- Электромагнитные, или, как их еще называют, тороидальные. Такое название возникло из-за их формы, то есть кольца (или тороида), на котором установлена обмотка из большого количества витков медной проволоки. Они обладают значительным запасом надежности, а их цена достаточно невысока. Главный недостаток — большие размеры и вес (около 3-3,5 кг), что ограничивает их использование в системах освещения подвесных потолков, мебели и компактных лампах. Для них также характерны сильная восприимчивость к скачкам напряжения и перегрев.
- Электронные, или импульсные. Их явное преимущество — небольшие размеры, малый вес и наличие стабилизатора напряжения, что увеличивает срок службы подключенных к нему приборов. Большинство моделей импульсных трансформаторов обладает защитой от короткого замыкания, плавным пуском и отсутствием перегревания. Вследствие своих параметров такие приборы чаще всего используют для монтажа систем освещения в подвесных и натяжных потолках и мебели.
Принцип действия электронных трансформаторов заключается в преобразовании 220 вольт в 12 посредством электроники и полупроводниковых элементов.
Один из незначительных недостатков трансформаторов такого типа состоит в том, что их запрещено включать в сеть, если к ним не подключена достаточная нагрузка. Данный параметр указывается на корпусе изделия и в большинстве случаев составляет от 40 Вт.
Схема подключения понижающего трансформатора
Наиболее замечательный и популярный пример, для наглядной схемы подключения — это подключение экономной системы освещения. Она необходима для реализации схемы освещения с меньшими показателями напряжения, чем классические 220 В. Чаще всего используются 12-вольтные галогенные лампы, которые применяют как в открытых, так и во встроенных светильниках.
Общая схема подключения со светильниками достаточно легка в исполнении и изображена на рисунке.

Понижающий трансформатор подключается через выключатель. Далее к нему параллельно подключаются светильники, при этом его роль заключается в снижении напряжения со стандартных 220 Вольт до 12 Вольт, требуемых для питания точечных галогеновых светильников.



Как проверить понижающий трансформатор 220 на 12В при помощи мультиметра
Если имеется понижающий трансформатор, и неизвестно работает ли он, и каково его выходное напряжение, можно воспользоваться мультиметром. Однако следует понимать, что неправильная проверка может вывести измерительный прибор из строя. Разберём алгоритм действий:
- Находим визуально первичную и вторичную и вторичную обмотки. Сделать это просто. Жилы первичной обмотки всегда тоньше.
- Выставляем переключателем мультиметра показатель переменного тока на минимальный (обычно это 200 В).
- Подаём напряжение на первичную обмотку.
- Снимаем показания со вторичной обмотки. Если контактов более двух, проверяем их попеременно. Возможно, что, помимо 12 В, трансформатор способен выдавать 24 и 36 В.
Особенности подключения
Рассмотрим основы как рассчитать, подключить понижающий трансформатор 220 36
Важно подсоединяться к катушкам аппарата в строгом соответствии с их назначением, учитывая потребности в конкретной ситуации. В зависимости от того, куда подключают нагрузку и 220 В аппарат будет либо понижателем, либо повышателем
А некорректное объединение контактов обмоток приведет к быстрому выходу ТН из строя (перегрев, КЗ).
ТН подсоединяется параллельно нагрузке, его цель — трансформировать входное напряжение с определенным коэффициентом, который, если упростить, равен соотношению витков. Когда их количество у таковой первичной (сетевой) меньше, чем у вторичной, то на выходе значение понижается. У повышающего ТН наоборот — витков вторички (нагрузочной катушки) больше. Необходимо отметить, что когда нагрузка увеличивается, то коэфф. соотношения понижается, на что также влияет сечение проводков обмотки.

У сложных изделий количество катушек превышает 2, каждая со своим коэфф. трансформации, причем часть из них понижает, часть — повышает. Любой трансформатор может работать в обратном режиме: когда на нагрузочную намотку подается переменное напряжение, получаем его на выходе первички с тем же коэффициентом преобразования.
Понижающий трансформатор с 220 на 12 вольт купить
На сегодняшний день в продаже имеются устройства различного исполнения и конструкции. Заказать или купить Вы можете как в розничных магазинах, так и в интернет магазинах. В последних, кстати, более выгодные цены.
Ниже Мы предлагаем Вам ознакомиться и сравнить несколько вариантов:
| Модель | ОСЗ- 1,0 | ОСОВ-0,25 | ТП1-0,25 | ОСВМ-0,25 | ЯТП-0,25 |
|---|---|---|---|---|---|
| Ориентировочная цена, руб | от 6500 | от 2200 | от 5300 | от 5300 | от 1500 |
| Внешний вид | ![]() |
![]() |
![]() |
![]() |
![]() |
| Мощность, кВА | 1 | 0.25 | 0.25 | 0.25 | 0.25 |
| Первичное напряжение, В | 220 | 220 | 220 | 220 | 220 |
| Вторичное напряжение, В | 12, 24, 36, 42 |
12, 24, 36, 42, 110, 127 |
12, 24, 36, 42, 110 |
12, 24, 36, 42, 110, 127 |
12 |
| Степень защиты | IP20 | IP65 | IP20 | IP55 | IP31 |
| Климатическое исполнение | У2 | У5 | У2 | ОМ5 | УХЛ 4 |
| Габариты, мм | Д — 275 Ш — 155 В — 270 |
Д — 200 Ш — 200 В — 225 |
Д — 320 Ш — 160 В — 302 |
Д — 200 Ш — 200 В — 225 |
Д — 210 Ш — 145 В — 145 |
| Вес, кг | 16 | 5.9 | 13 | 5.9 | 6.5 |
| ОСЗ – однофазный, сухой, в защищенном исполнении |
| ОСОВ – однофазные, сухие, для местного освещения, водозащищенного исполнения |
| ТП – сухой однофазный |
| ОСВМ – однофазные, сухие, водозащищенного исполнения, морские |
| ЯТП – ящик с ОСЗ |
Как видите, отличительной особенностью всех трансформаторов является конструктивное исполнение. Для наружной установки Мы рекомендуем выбрать типа ОСОВ или ОСВМ, так как они имеют водозащищенное исполнение.










