Предназначение снаббера
Устройство предназначено для подавления индуктивных выбросов, для понижения значения перенапряжений в переходных процессах, которые появляются при коммутационных действиях с силовыми полупроводниками. Они практически незаменимы для снижения влияния паразитной генерации, которая способствует снижению величины нагрева обмоток трансформатора и для предохранения от температурного перегрева диодов и мощных транзисторов.
Достигается это с помощью облегчения теплообмена при работе ключа. При этом емкость служит для понижения скорости нарастания напряжения, а индуктивность снижает нарастание величины тока. При снижении значения динамических потерь в силовом ключе происходит формирование траектории переключения: при этом параллельно подключенные емкостные конденсаторы понизят скорость нарастания напряжения. Индуктивность в коммутационных цепях ограничивает скорость увеличения тока.
Снаббер выполняет задачу по предотвращению ошибочного включения семистора, которое может произойти в результате сетевых помех. Полезно применение снаббера в качестве ограничителя перенапряжений для ключевого транзистора, которые появляются во время коммутации. В этом случае модель может применяться в устройствах импульсных источников питания.
Основные характеристики
Рассматриваемый полупроводниковый прибор предназначен для управления схемами. Независимо от того, где в схеме он применяется, важны следующие характеристики симисторов:
- Максимальное напряжение. Показатель, который будучи достигнут на силовых электродах не вызовет, в теории, выхода из строя. Фактически является максимально допустимым значением при условии соблюдения диапазона температур. Будьте осторожны – даже кратковременное превышение может обернуться уничтожением данного элемента цепи.
- Максимальный кратковременный импульсный ток в открытом состоянии. Пиковое значение и допустимый для него период, указываемый в миллисекундах.
- Рабочий диапазон температур.
- Отпирающее напряжение управления (соответствует минимальному постоянному отпирающему току).
- Время включения.
- Минимальный постоянный ток управления, нужный для включения прибора.
- Максимальное повторяющееся импульсное напряжение в закрытом состоянии. Этот параметр всегда указывают в сопроводительной документации. Обозначает критическую величину напряжения, предельную для данного прибора.
- Максимальное падение уровня напряжения на симисторе в открытом состоянии. Указывает предельное напряжение, которое может устанавливаться между силовыми электродами в открытом состоянии.
- Критическая скорость нарастания тока в открытом состоянии и напряжения в закрытом. Указываются соответственно в амперах и вольтах за секунду. Превышение рекомендованных значений может привести к пробою или ошибочному открытию не к месту. Следует обеспечивать рабочие условия для соблюдения рекомендованных норм и исключить помехи, у которых динамика превышает заданный параметр.
- Корпус симистора. Важен для проведения тепловых расчетов и влияет на рассеиваемую мощность.
Вот мы и рассмотрели, что такое симистор, за что он отвечает, где применяется и какими характеристиками обладает. Рассмотренные простым языком теоретические азы позволят заложить основу для будущей результативной деятельности. Надеемся, предоставленная информация была для вас полезной и интересной! Материал взят с сайта: https://samelectrik.ru/
Структурная и принципиальная схема основных частей блока

Обобщенная структурная схема импульсного БП.
На входе блока питания устанавливается сетевой фильтр. Принципиально на работу самодельного или промышленного импульсного блока питания он не влияет – все будет функционировать без него. Но отказываться от схемы фильтрации нельзя – из-за крайне нелинейной формы потребляемого тока импульсные источники интенсивно «сыплют» помехами в бытовую сеть 220 вольт. По этой причине работающие от этой же сети устройства на микропроцессорах и микроконтроллерах – от электронных часов до компьютеров – будут работать со сбоями.

Схема сетевого фильтра.
Назначение входного устройства — защита от двух видов помех:
- синфазной (несимметричной) – возникает между любым проводом и землей (корпусом) БП;
- дифференциальной (симметричной) – между проводами (полюсами) питания.
Фильтр, как и весь блок питания, на входе защищен предохранителем F (плавким или самовосстанавливающимся). После предохранителя стоит варистор – резистор, сопротивление которого зависит от приложенного напряжения. Пока входное напряжение в норме, сопротивление варистора велико и он не оказывает никакого действия на работу схемы. Если напряжение повышается, сопротивление варистора резко просаживается, что вызывает увеличение тока и сгорание предохранителя.
Конденсаторы Cx блокируют дифференциальные помехи на входе и выходе фильтра в диапазоне до 30 МГц. На частоте 50 Гц их сопротивление велико, поэтому влияния на сетевое напряжение они не оказывают. Их емкость может быть выбрана от 10 до 330 нФ. Резистор Rd устанавливается для безопасности – через него разряжаются конденсаторы после отключения питания.
Синфазные помехи подавляет фильтр на Cy и L. Их значения для частоты среза f связаны формулой Томпсона:
f=1/(2*π*√L*C), где:
- f – частота среза в кГц (берется частота преобразования импульсника);
- L – индуктивность дросселя, мкГн;
- С – емкость Cy, мкФ.
Синфазный дроссель наматывается на ферритовом кольце. Обмотки одинаковые, мотаются на противоположных сторонах.

Конструктив синфазного дросселя.
После фильтра сетевое напряжение выпрямляется. В большинстве случаев используется стандартный двухполупериодный мостовой выпрямитель.
How RC Snubber Works
RC snubber is commonly used in switching converters to limit the voltage spike on the switching device into a safe level. Not just by simply clamping the voltage spike alone, but also modifying the spike frequency or ringing behavior to prevent further issue.

RC snubber works by modifying the ringing frequency as well as lowering the voltage spike level. The capacitor acts as charge storage and the resistor provides a discharge path. For instance in below circuit, the RC snubber R1 and C1 protects the MOSFET Q1 from voltage spike on the drain. When the MOSFET is OFF, the snubber capacitor will charge through R1. When the MOSFET turns ON, the capacitor will discharge through R1 to the MOSFET and to the circuit ground. The cycle will repeat with the capacitor is empty. The resistor is the one dissipates power. In a single switching cycle, there are two times where current flows to the resistor. Below illustration called the currents as charge and discharge currents.

The fact that an RC snubber is capable of modifying the ringing frequency, it is instrumental in solving EMI related issues. In the past, I had solved several issues in EMI b using RC snubbers on switching MOSFET and diodes.
Импульсные выпрямители
Рис.3. Обобщенная структурная схема однотактного ИБП с бестрансформаторным входом.
Рассмотрим работу обобщенной однотактной схемы ИБП, приведенной на рис. 3. Переменное напряжение сети выпрямляется диодным мостом и сглаживается конденсатором большой емкости. В результате на выходе выпрямителя появляется постоянное положительное напряжение Uep = +310В. Этим напряжением запитывается схема пуска, которая вырабатывает питающее напряжение для схемы управления сразу после включения ИБП. На выходе схемы управления вырабатывается управляющее напряжение в виде последовательности прямоугольных импульсов с частотой порядка несколько десятков килогерц. Эти импульсы управляют состоянием (открыт/закрыт) мощного ключевого высокочастотного транзистора, нагрузкой которого является первичная обмотка импульсного высокочастотного трансформатора. В результате переключении транзисторного ключа во вторичных обмотках трансформатора наводятся импульсные ЭДС прямоугольной формы, которые затем выпрямляются и сглаживаются. Силовая часть однотактного преобразователя с бестрансформаторным входом может быть выполнена одним из двух возможных способов.
Поэтому следует различать проточные (прямоходовые) и запорные (обратноходовые) преобразователи. В проточных преобразователях ток подзарядки накопительных емкостей во вторичной цепи (ток через диоды выпрямителя) протекает во время открытого состояния ключевого транзистора, а в запорных — во время закрытого состояния этого транзистора.
Тип преобразователя определяется выбором определенной полярности подключения выпрямительных диодов ко вторичным обмоткам импульсного трансформатора и конструктивными особенностями самого импульсного трансформатора.
В прямоходовых преобразователях (преобразователя с пропускающим диодом) энергия в цепь нагрузки передается через диод во время открытого состояния транзистора. Одновременно в сердечнике дросселя накапливается магнитная энергия (токи через дроссель и первичную обмотку трансформатора линейно нарастают), которая затем во время закрытого состояния транзистора выдается в нагрузку через диод. При этом ток дросселя линейно уменьшается. Магнитная энергия, накопленная в сердечнике трансформатора за время открытого состояния, снова возвращается в источник во время закрытого состояния. Этот возврат (рекуперация) осуществляется с помощью обмотки размагничивания и диода. В противном случае сердечник трансформатора оказался бы в состоянии насыщения, что при следующем открывании транзистора привело бы к выводу его из строя чрезмерно большим током первичной обмотки, индуктивность которой была бы очень мала. Таким образом, в прямоходовом преобразователе трансформатор служит только для трансформации энергии. Исходя из этого принципа трансформатор прямоходового преобразователя должен выполняться таким, чтобы запасаемая в его сердечнике магнитная энергия за время открытого состояния транзистора была бы минимальной.
Особенности
Чтобы иметь полное представление о симметричных тринисторах, необходимо рассказать про их сильные и слабые стороны. К первым можно отнести следующие факторы:
- относительно невысокая стоимость приборов;
- длительный срок эксплуатации;
- отсутствие механики (то есть подвижных контактов, которые являются источниками помех).
В число недостатков приборов входят следующие особенности:
Необходимость отвода тепла, примерно из расчета 1-1,5 Вт на 1 А, например, при токе 15 А величина мощности рассеивания будет около 10-22 Вт, что потребует соответствующего радиатора. Для удобства крепления к нему у мощных устройств один из выводов имеет резьбу под гайку.
Симистор с креплением под радиатор
- Устройства подвержены влиянию переходных процессов, шумов и помех;
- Не поддерживаются высокие частоты переключения.
По последним двум пунктам необходимо дать небольшое пояснение. В случае высокой скорости коммутации велика вероятность самопроизвольной активации устройства. Помеха в виде броска напряжения также может привести к этому результату. В качестве защиты от помех рекомендуется шунтировать прибор RC цепью.
RC-цепочка для защиты симистора от помех
Помимо этого рекомендуется минимизировать длину проводов ведущих к управляемому выводу, или в качестве альтернативы использовать экранированные проводники. Также практикуется установка шунтирующего резистора между выводом T1 (TE1 или A1) и управляющим электродом.
Конструкция снабберов
Корнелл Дубильер (Cornell Dubilier) имеет хорошее руководство по проектированию демпфирующих сетей. В руководстве есть раздел с кратким описанием проектирования и предложением, похожим на аналог: «Планируйте использование 2-ваттного резистора из углеродного состава». В руководстве отмечается, что проволочные резисторы вызовут проблемы, поскольку они имеют более высокую индуктивность. Даже у металлического пленочного резистора могут возникнуть проблемы, если заусенцы выполняется в форме спирали, имеющей индуктивность. Поскольку он является аналоговым компонентом, вы можете быть уверены, что резистор мощностью 2 Вт не подходит для преобразователя мощностью 1 Вт или инвертора мощностью 10 кВт.
В руководстве описан метод быстрого проектирования, а затем оптимизированный проект, который снижает номинальную мощность резистора в 5 раз и значение демпфирующего конденсатора в 3,5 раза. Эти выгоды предназначены для конкретной конструкции с определенной компоновкой печатной платы. Ваши изделия, несомненно, будут иметь отличия.
Одно из ценных замечаний в этом руководстве заключается в том, что узел коммутатора, который вы пытаетесь отключить, будет иметь характеристическое сопротивление, как и линия передачи. Вы хотите, чтобы размер демпфирующего резистора не превышал это характеристическое сопротивление, чтобы не возникало переходного напряжения при размыкании коммутатора.
Корнелл Дубильер также имеет гораздо более подробное руководство по проектированию демпферов. В этом руководстве намного больше математики, теории и диаграмм. Помните, однако, что вся теория бесполезна, если вы не создаете, не проводите испытаний и не оцениваете схемы демпфирования, которые разрабатываете.
Хорошая особенность резистора в RC-цепи состоит в том, что вы можете с его помощью вести замеры в реальном времени мгновенных значений токов (применение в качестве шунта) и напряжений, которые также находятся и на конденсаторе. В цепи RCD вы должны добавить шунт последовательно конденсатору. Это будет непросто для устройств поверхностного монтажа, но обычно вы можете разорвать дорожку печатной платы, чтобы подключить датчик тока в цепь. Все это высокочастотные сигналы, поэтому убедитесь, что у вас есть осциллограф и щупы с достаточной шириной полосы пропускания для измерения пиковых значений токов и напряжений.
Конфигурация снаббера
Устройство необходимого к использованию снаббера зависит от величины нагрузки и типа питающей сети, она связана с типом силового компонента и частоты, на которой он работает.
Рис. №1. Конфигурация снабберных конденсаторов.
Самый простой снаббер считается импульсным конденсатором незначительной емкости, который подключается параллельно силовому ключу. В конструкции обязательно должен присутствовать, подключенный параллельно конденсатору резистор, он помогает избавиться от потерь и утечек в паразитном колебательном контуре.
Основное требование к конструкции снабберной емкости – обеспечить помимо минимальной величины распределенной индуктивности, еще и удобство присоединения к терминалам силового модуля. В качестве снаббера недопустимо использовать обычные конденсаторы, как на (рис.1а).
Методика расчета снабберной цепи
Выполнение расчета связано с механизмом действия снабберной цепи. Номинальное значение конденсатора высчитывается по определенному значению уровня перенапряжения Vos и величины энергии, находящейся в запасе в паразитной индуктивности шины Lв при коммутировании токовой величины Iреак:
С помощью снабберов происходит формирование траектории переключения, где параллельно подключенные емкости снижают быстроту нарастания значения напряжения, а индуктивности служат для ограничения скорости увеличения токовых значений.
Вычисление емкости снаббера и максимально эффективного значения индуктивности можно выполнить если известны значения напряжения ΔV1 и ΔV2, при этом их величина С2 будет прямо пропорциональна показателям паразитной индуктивности. Формула расчета емкости будет иметь такой вид:
Таким образом, становится ясно, что корректная типология и силового каскада, которая может обеспечить минимальную величину и значение LDC дает возможность снизить требования к снабберным цепям.
Для определения расчета паразитного контура DC необходимо проводить коррекционные замеры параметров снабберной схемы, за основу берутся результаты экспериментальной проверки.
Основой выбора служит минимальная величина перенапряжения и отсутствие опасных осцилляций.
При подборе конденсатора учитываются такие его параметры:
- Разрешенное напряжение для цепей постоянного тока VRmax;
- Максимальное значение напряжения и тока пульсации Vnnsили Inns;
- Величину емкости и индуктивности;
- Срок эксплуатации.
Желательно учитывать, что для модулей IGBT величина напряжения шины не должна быть больше значения 9000В, для такого значения рекомендуется применять снаббер с VRmax= 1000В. Величины емкости должно хватать для подавления и сглаживания пиковых сигналов, появляющихся при отключении IGBT, емкость может быть в пределах от 0,1 до 1 мкФ.
Рис.№ 2. Классический пример использования конструкции с высокоиндуктивной шиной с применением параллельно соединенных проводников звена постоянного тока. Даже с наличием снаббера при коротком замыкании произойдет скачек напряжения более, чем в 1000 раз.
Список деталей для конструкции БП
- Операционный усилитель LM358
- Стабилизатор 7812
- Mosfet IRF4905
- Потенциометры
- Измеритель LED I, U
- Вольтметр цифровой
- Импульсный преобразователь LM2596
Радиаторы, силовой трансформатор и мелкие пассивные элементы есть у каждого, поэтому стоимость будет однозначно ниже готового БП. Вот так выглядит готовая конструкция — передняя и задняя панели выполнены из алюминиевого листа толщиной 2 мм. Фронт был выгравирован на специальном оборудовании.

Преимуществами конструкции являются малая цена исполнения, простота схемы, надежность. Недостатками небольшой максимальный ток, не самая лучшая стабилизация напряжения. Скорость срабатывания ограничителя тока не проверялась, но как правило этого достаточно в радиоделе.
Выпрямитель
Напряжение вторичной обмотки надо выпрямить. Для уровней до 12 вольт желательно использовать двухполупериодную схему со средней точкой.
Схема выпрямителя со средней точкой и прохождение тока по ней.
Преимущество данной схемы – ток проходит в каждую сторону только через один диод, и падение напряжения на вентилях, в отличие от классической мостовой схемы, в два раза меньше. Это может существенно сократить потребное число витков вторичной обмотки. Этой же цели служит применение диодов Шоттки и сборок из них.
Схема мостового выпрямителя и прохождение тока по ней.
Если выходное напряжение БП выше +12 вольт, то экономия 0,6 вольт становится несущественной, и можно выполнить выпрямитель по стандартной схеме и применить трансформатор без отвода.
В случае, если выход импульсного блока питания должен быть двухполярным, снова становится рациональным выполнение отвода от средней точки. В этом случае экономится сразу 4 диода и радиаторы для них – выигрыш в габаритах может быть существенным.
Двухполярный выпрямитель со средней точкой.
Проблема с электролитикой
Опытные инженеры аналоговых систем знают, что есть много различных типов конденсаторов. Никакой физический конденсатор не является идеальным представлением «символа» вашей схемы или модели в моделировании. Электролитические конденсаторы имеют большие значения емкости и более дешевы. Используя диод в демпфирующей сети RCD, вы сможете обойти проблему, связанную с полярностью электролитических конденсаторов, и стоит помнить, что они взорвутся, если вы подключите их в обратной полярности.
Несмотря на это, электролитические конденсаторы не подходят для демпфирующих цепей, так как демпферы имеют очень большие пиковые токи, которые могут вызывать перегрев и повредить электролитический конденсатор. Что еще хуже, электролитические конденсаторы обладают ужасной надежностью, хуже, чем большинство пассивных или дискретных компонентов, за исключением, возможно, потенциометра. Это делает электролитические или танталовые конденсаторы плохим выбором для демпфирующих цепей.
Упрощение формул
Делая расчет схемы, показанной на рисунке 2, мы считали, что постоянная времени RC-демпфера мала по сравнению с продолжительностью Тr нарастания фронта импульса, а также что временные интервалы нарастания и спада импульса одинаковы.
$$\tau =R\times C=4.7\;Ом\times 680\;пФ=3.2\;нс
Следовательно
$$e^{-\frac{T_{r}}{\tau}}<<1$$ и $$T_{r}=T_{f}$$
Это позволяет упростить формулу мощности для неидеального импульса:
$$P\simeq CV^{2}f\alpha,$$
где поправочный коэффициент α определяется следующим образом:
$$\alpha =2\times \frac{\tau}{T_{r}}\times \left(1-\frac{\tau}{T_{r}}\right)=0.43$$
Следовательно, реальная мощность, рассеиваемая в сети RC, составляет менее половины от предполагавшейся в соответствии с формулой \(P=C\times V^{2}\times f\) и равна значению:
$$129\;мВт\times 0.43=56\;мВт$$
Этот результат с точностью до 1 мВт совпадает с вычислением. Итак, типоразмер 0805 вполне достаточен, чтобы резистор 1/8 Вт рассеивал в два раза большую мощность, при этом все же соответствуя «золотому правилу» заказчика.
Вы можете жить еще один день.
Рассмотрим случай, когда
$$T_{r}<<\tau:$$
$$\tau =R\times C=4.7\;Ом\times 680\;пФ=3.2\;нс>>T_{r}=0.1\;нс$$
Тогда поправочный коэффициент будет следующим:
$$\alpha^{´}\simeq \left(1-\frac{T_{r}}{\tau } \right)=0.97$$
Другими словами, здесь лучше всего работает формула ступенчатой функции, посчитанная ранее. Наконец, для \(T_{r}\approx \tau\)
приближение, которое работает лучше всего – это:
$$\alpha^{´´}\simeq \frac{1}{3}$$
Принципиальная схема
Функциональная схема микросхем приведена на рисунке 1, зависимость выходной частоты от номиналов RC-задающей цепочки на рисунке 2.
Микросхема обеспечивает паузу между импульсами «верхнего» и «нижнего» ключей в течении 10% от длительности импульса, что позволяет не опасаться «сквозных» токов в силовой части преобразователя.

Рис. 1. Функциональная схема микросхем IR2153, IR2155.
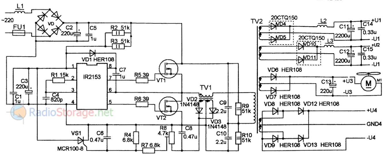
Практическая реализация БП приведена на рисунке 3. Используя данную схему можно изготовить БП мощностью от 100 до 500Вт, необходимо лишь пропорционально увеличивать емкость конденсатора фильтра первичного питания С2 и использовать соответствующий силовой трансформатор ТV2.

Рис. 2. Графики зависимости выходной частоты от номиналов RC-задающей цепочки для микросхемы IR2153.
Емкость конденсатора С2 выбирается из расчета 1… 1,5 мкФ на 1 Вт выходной мощности, например при изготовлении БП на 150 Вт следует использовать конденсатор на 150…220 мкФ.

Рис. 3. Принципиальная схема импульсного сетевого блока питания для усилителей НЧ на 100-500Вт.
Диодный мост первичного питания VD можно использовать в соответствии с установленным конденсатором фильтра первичного питания, при емкостях до 330 мкФ можно использовать диодные мосты на 4…6А, например RS407 или RS607.
При емкости конденсаторов 470… 680 мкФ нужны уже более мощные диодные мосты, например RS807, RS1007.
Силовой трансформатор
Силовой трансформатор работает на высоких частотах (до нескольких десятков килогерц), поэтому его можно выполнить на сердечнике не из трансформаторного железа, а на феррите. Также за счет повышенной частоты его размеры будут меньше, чем у сетевого, предназначенного для преобразования на частоте 50 Гц. Расчет импульсного трансформатора достаточно объемен. С ним можно разобраться для общего развития, а для практических целей лучше воспользоваться какой-либо программой, включая онлайн-сервисы.
Интерфейс программы Lite-CalcIT.
Популярностью пользуется программа Lite-CalcIT. Она может рассчитать трансформатор под имеющийся сердечник, а может подобрать оптимальный, исходя из введенных данных.
Самодельный блок питания на MOSFET транзисторе
Мощный лабораторный блок питания с MOSFET транзистором на выходе своими руками
В предыдущей статье мы рассматривали схемы ЗУ с использованием в качестве силового ключа мощные p-n-p или n-p-n транзисторы. Они позволяли получить достаточно большой ток при небольшом количестве радиодеталей, но у используемых биполярных транзисторов имеется существенный недостаток… — это большое падение напряжения коллектор-эмиттер в режиме насыщения, достигающее 2 … 2,5 В у составных транзисторов, что приводит к их повышенному нагреву и необходимости установки транзисторов на большой радиатор.
Гораздо более распространены и доступней силовые n- канальные МОП транзисторы, но принципиальная схема устройства с такими транзисторами несколько усложняется, т.к. для полного открытия канала сток-исток на затвор необходимо подать напряжение на 15 В выше напряжения силовой части. Ниже рассмотрена схема такого устройства.
Основа конструкции мало отличается от ранее рассмотренных устройств на биполярных силовых транзисторах. С помощью конденсаторов С1-С3 и диодов VD1-VD5 в схеме формируется повышенное на 15 В напряжение, которое с помощью транзисторов VT2, VT3 подаётся на затвор полевого транзистора VT1.
В схеме желательно использовать MOSFET с наиболее низким сопротивлением открытого канала, но максимальное допустимое напряжение этих транзисторов должно быть в 1,5 — 2 раза выше напряжения силовой цепи. В качестве диода VD8 желательно использовать диоды с барьером Шоттки с рабочим напряжением выше максимального в силовой цепи, в крайнем случае можно использовать КД213А или КД2997, КД2799, но их придётся установить на небольшой радиатор. Требования к изготовлению накопительного дросселя DR1 такие же как и в зарядных устройствах с биполярными ключевыми транзисторами.
При отсутствии подходящего проволочного резистора, используемого в качестве токового шунта R17 схему можно доработать, используя небольшой отрезок манганинового провода диаметром 2 мм или мощные проволочные резисторы сопротивлением 0,01 …0,05 Ом.
Схема импульсного блока питания — 4 рабочие схемы
Схема импульсного блока питания, но не одна, а сразу четыре. В этом материале будет представлено вам несколько схем импульсных источников питания, выполненных на популярной и надежной микросхеме IR2153. Все эти проекты были разработаны известным пользователем Nem0. Поэтому я здесь буду писать от его имени. Показанные здесь все схематические решения были пару лет назад лично автором собраны и протестированы.
Но вот сейчас, в середине 2018 года, автор решил вновь предложить их вам для повторения, схемы абсолютно рабочие. В данной статье к сожалению не каждая схема имеет для наглядности фото уже готового прибора, но это пока все, что есть.
В общем начнем пока с так называемого «высоковольтного» блока питания:
Схема традиционная, которую использует Nem0 в большинстве своих конструкций импульсников. Драйвер получает питание напрямую от электросети через сопротивление. Это в свою очередь способствует уменьшению рассеиваемой на этом сопротивлении мощности, сравнительно с подачей напряжения от цепи 310v. Схема импульсного блока питания располагает функцией плавного включения напряжения, что существенно ограничивает пусковой ток. Модуль плавного пуска запитывается через конденсатор С2 понижающий сетевое напряжение 230v.
В блоке питания предусмотрена эффективная защита предотвращения короткого замыкания и пиковой нагрузки во вторичном силовом тракте. Роль датчика тока выполняет постоянный резистор R11, а регулировку тока срабатывания защиты выполняется с помощью подстроечника R10. Во время отсечки тока защитой, начинает светится светодиод, сигнализирующий о том, что защита сработала. Выходное двух полярное выпрямленное напряжение составляет +/-70v.
Трансформатор выполнен с одной первичной обмоткой, состоящей из пятидесяти витков, а 4 вторичные обмотки, содержат по двадцать три витка. Диаметр медной жилы и магнитопровод трансформатора расчитываются в зависимости от заданной мощности определенного блока питания.
Теперь рассмотрим следующий блок питания:
Эта версия блока питания во много схожа с описанной выше схемой, хотя в ней имеется существенное отличие. Дело в том, что здесь напряжение питания на драйвер поступает от специальной обмотки трансформатора, через балластный резистор. Все остальные компоненты в конструкции практически одинаковы.
Мощность на выходе этого источника питания обусловлено как характеристикой трансформатора и параметрами микросхемы IR2153, но и ресурсом диодов в выпрямителе. В данной схеме были задействованы диоды КД213А, у которых обратное максимальное напряжение 200v и прямой максимальный ток 10А. Для обеспечения корректной работы диодов при больших токах, их нужно устанавливать на радиатор.
Отдельного внимания заслуживает дроссель Т2. Наматывают его на совместном кольцевом магнитопроводе, в случае необходимости можно использовать другой сердечник. Намотка делается эмаль-проводом с сечением рассчитанным согласно току в нагрузке. Также и мощность импульсного трансформатора определяется в зависимости от того, какую выходную мощность вы хотите получить. Очень удобно делать расчеты трансформаторов с помощью специальных компьютерных калькуляторов.
Теперь третья схема импульсного блока питания на мощных полевых транзисторах IRFP460:
Этот вариант схемы уже имеет конкретную разницу относительно предыдущих моделей. Главные отличия, это система защиты от КЗ и перегруза здесь собрана с использованием трансформатора по току. И есть еще одна разница, это наличие в схеме пары предвыходных транзисторов BD140. Именно эти транзисторы дают возможность отрезать большую входную емкость мощных полевых ключей, относительно выхода драйвера.
Есть еще маленькое отличие, это гасящий напряжение резистор, относящейся к модулю плавного включения, установлен он в цепи 230v. В предыдущей схеме он расположен в силовом тракте +310v. Кроме этого в схеме имеется ограничитель перенапряжения, служащий для гашения остаточного импульса трансформатора. Во всем остальном никаких различий между приведенными выше схемами у этой больше нет.
Четвертая схема импульсника:
В этой схеме все упрощено до придела, здесь нет защиты от короткого замыкания, но собственно она не особо и нужна. В этом варианте блока питания, ток на выходе вторичной цепи 260v уменьшается на сопротивлении R6. Резистор R1 обрезает пиковый ток при пуске, а также сглаживает сетевые искажения.
Скачать: Дополнительные файлы
Предыдущая запись Схема усилителя класса D
Следующая запись Моноблок это что





