Соединение «звездой» и его преимущества
Каждая из трех рабочих обмоток электродвигателя имеет два вывода – соответственно начало и конец. Концы всех трех обмоток соединяют в одну общую точку, так называемую нейтраль.
При наличии нейтрального провода в цепи схему называют 4-х проводной, в противном случае, она будет считаться 3-х проводной.
Начало выводов присоединяют к соответствующим фазам питающей сети. Приложенное напряжение на таких фазах составляет 380 В, реже 660 В.
Основные преимущества применения схемы «звезда»:
- Устойчивый и длительный режим безостановочной работы двигателя;
- Повышенная надежность и долговечность, за счет снижения мощности оборудования;
- Максимальная плавность пуска электрического привода;
- Возможность воздействия кратковременной перегрузки;
- В процессе эксплуатации корпус оборудования не перегревается.
Существует оборудование с внутренним соединением концов обмоток. На колодку такого оборудования будет выведено всего лишь три вывода, что не позволяет применить другие методы соединения. Выполненное в таком виде электрооборудование, для своего подключения не требует грамотных специалистов.
Подключение трехфазного двигателя к однофазной сети по схеме звезда
Как определить начало и конец обмоток
Приступаем к поиску концов. Снова предупрежу о технике безопасности, поскольку сейчас вы будете работать с опасным напряжением 220 вольт. Сама процедура очень простая. Вам надо на одну обмотку присоединить лампу или вольтметр (мультиметр, в режиме ), а две других обмотки соединить последовательно и подать на них напряжение. Теперь рассмотрим эту процедуру подробнее.
С присоединением лампы или вольтмера проблем не возникнет. Допустим это будет обмотка W1-W2. Остается две обмотки. Согласно имеющимся маркерам вы соединяете их в таком порядке, как это показано на рисунке, а именно соединяете между собой U2 и V1. На выводы U1 и V2 подаете ПЕРЕМЕННОЕ напряжение 220 вольт
Обратите внимание, именно переменное, поскольку постоянное превратит наш двигатель в электромагнит, но при этом напряжение в третьей обмотке наводиться не будет. На реальном двигателе это будет выглядеть, как на фотографии ниже:. Обратите внимание, я специально выделил одним цветом (зеленым) соединенные обмотки на схеме и на фотографии
Теперь, если магнитные потоки обмоток совпадут, то в третьей обмотке будет наведено напряжение
Обратите внимание, я специально выделил одним цветом (зеленым) соединенные обмотки на схеме и на фотографии. Теперь, если магнитные потоки обмоток совпадут, то в третьей обмотке будет наведено напряжение. Если посчитать грубо, то чуть меньше 100 вольт
Следовательно, лампочка на третьей обмотке начнет светиться, но не в полный накал. Если же магнитные потоки будут направлены встречно, то в третьей обмотке напряжение наводиться не будет и лампочка не загорится. Если лампочка загорелась, все отлично, придумайте, как навсегда промаркировать выводы обмоток и приступаем к третьей. Если лампочка не загорелась, значит меняем местами выводы любой обмотки. Пусть это будет обмотка V1V2 (то есть, если раньше была схема U1→U2→V1→V2, то теперь будет схема U1→U2→V2→V1) и снова проверяем. Лампочка засветилась? Отлично! Но прежде чем переходить к третьей обмотке, поскольку мы определили условные начала и концы двух обмоток нужно придумать, как навсегда промаркировать эти выводы, чтобы в дальнейшем вам не пришлось возвращаться к данной процедуре. Теперь будем работать только с третьей обмоткой. Маркеры первых двух трогать уже не будем. К любой из найденных обмоток подключаем третью, а на освободившуюся подключаем лампочку. То есть на обмотку (пусть будет) U1U2 мы теперь подключаем вольтметр или лампочку, а соединяем обмотки V1→V2→W1→W2. И все повторяем по новой. С одним условием, что маркеры обмоток U и V мы не трогаем. Если лампочка при проверке не загорается, то меняем маркеры только на обмотке W
Если посчитать грубо, то чуть меньше 100 вольт. Следовательно, лампочка на третьей обмотке начнет светиться, но не в полный накал. Если же магнитные потоки будут направлены встречно, то в третьей обмотке напряжение наводиться не будет и лампочка не загорится. Если лампочка загорелась, все отлично, придумайте, как навсегда промаркировать выводы обмоток и приступаем к третьей. Если лампочка не загорелась, значит меняем местами выводы любой обмотки. Пусть это будет обмотка V1V2 (то есть, если раньше была схема U1→U2→V1→V2, то теперь будет схема U1→U2→V2→V1) и снова проверяем. Лампочка засветилась? Отлично! Но прежде чем переходить к третьей обмотке, поскольку мы определили условные начала и концы двух обмоток нужно придумать, как навсегда промаркировать эти выводы, чтобы в дальнейшем вам не пришлось возвращаться к данной процедуре. Теперь будем работать только с третьей обмоткой. Маркеры первых двух трогать уже не будем. К любой из найденных обмоток подключаем третью, а на освободившуюся подключаем лампочку. То есть на обмотку (пусть будет) U1U2 мы теперь подключаем вольтметр или лампочку, а соединяем обмотки V1→V2→W1→W2. И все повторяем по новой. С одним условием, что маркеры обмоток U и V мы не трогаем. Если лампочка при проверке не загорается, то меняем маркеры только на обмотке W.
Как видите, процедура не слишком сложная и при необходимой сноровке займет не больше 15 минут.
Советуем изучить — Частотно-регулируемый электропривод насосных установок
Есть и другие методы определения начал и концов обмоток, но они более сложные и требуют стрелочного вольтметра или сборки несложной схемы, хотя с другой стороны, они более безопасные. Но этот метод наиболее простой. А если не боитесь электричества и внимательно прочитали технику безопасности, то вместо мультиметра прозванивать обмотки можно той же лампочкой. Для этого можно использовать такую схему, которую вы видите ниже:
То есть, можно вообще обойтись без мультиметра. Достаточно одной лампочки на 220 вольт.
На этом всё!
С наилучшими пожеланиями, Я!
Как проверить двигатель перед запуском
Перед тем, как запустить асинхронный двигатель в работу, желательно его проверить на работоспособность. С чего же начать?
Внешний осмотр двигателя. Проверьте, нет ли сколов, вмятин, покрутите вал двигателя. Он должен крутиться плавно и без рывков в обе стороны. Этим действием вы проверяете подшипники, на которых держится ротор двигателя. Если вал двигателя подклинивает, то на это могут быть несколько причин: разбиты посадочные места под подшипники, убитые подшипники, либо ротор затирает статор. Для того, чтобы выяснить причину, нужно будет полностью разобрать двигатель и выяснить реальную проблему. Если все ок, то двигаемся к следующему шагу.
Проверяем обмотки двигателя. Для этого берем мультиметр, ставим его на измерение сопротивления и проверяем сопротивление обмоток. Если обмотки подключены по схеме “звезда”, то нам будет достаточно замерять сопротивление между клеммами, куда подается напряжение питания. Делается это в три этапа.
Раз.
Два.
Три.
Во всех трех случаях сопротивление должно быть одинаково. Допускается отклонение в несколько Ом.
Этими тремя действиями мы проверили обмотки нашего двигателя и убедились, что они все целые.
И заключительный шаг. Проверяем, не звонятся ли обмотки на землю. Так как все обмотки так или иначе соединяются между собой, достаточно будет встать щупом мультиметра на любую из обмоток, а вторым щупом встать на корпус двигателя. Переключатель на мультиметре поставить на измерение МОм.
В идеале должно получиться бесконечно большое сопротивление, в реале от 100 МОм и выше. Если сопротивление очень маленькое, что то около 1-10 Ом, то это означает, что какая-то из обмоток двигателя звонится на землю, что категорически недопустимо. На практике если же сопротивление меньше 1 МОм, то надо выяснить причину и устранить ее. Скорее всего в двигатель попала влага, грязь, либо произошел пробой диэлектрика медного провода. В этом случае поможет только полная разборка и визуальное выяснение причины.
Все те же самые операции применяются и к двигателю со схемой подключения “треугольник”.
Большинство материала для статьи “асинхронный двигатель” было взято из видео ниже. Обязательно к просмотру.
https://youtube.com/watch?v=uXwamyaiUKo
Двухскоростной трехфазный асинхронный двигатель со спецификацией на одно напряжение
- изменяющееся количество полюсов двигателя согласно схеме Даландера (скорость вращения 1:2),
- изменяющееся количество полюсов двигателя с двумя отдельными обмотками (скорость вращения варьируется).
В отличии от односкоростных двигателей, двухскоростные двигатели предназначены для одной величины оперативного напряжения.
Напряжение сети и номинальное напряжение двигателя должны совпадать.
Что касается обозначения клемм, было установлено, что последовательность цифр, предшествующих клеммным буквам указывает число оборотов. Клеммы 1U, 1V и 1W всегда соответствуют низкой скорости, а клеммы 2U, 2V и 2W соответствуют более высокой скорости.
На рисунках 5–8 показано, каким образом обмотки должны быть соединены между собой и где токоведущие проводники ограничиваются в каждом конкретном случае.
Уникальный электромобильный двигатель – Славянка

Свою разработку — элетромобильный двигатель «Славянка» — изобретатель Игорь Корхов из Белгородской области создал на основе обычного электродвигателя, снабдив его уникальной обмоткой. Авторский апгрейд увеличил мощность агрегата в 10 раз. Двигатель установили на автомобиль, который получил название «Таврия E-volution-AC». Его уже зарегистрировали в ГИБДД.
– Двигатель «Славянка» – наша разработка, российская. Весит он 29 кг, его очень легко поднять. И на машине он стоит – колеса буксуют с места и на 1-й, и на 2-й, и на 3-й передачах. Раньше показатели этого двигателя были 4–5 кВт, до 30 ньютонов. Сейчас у него 45–50 кВт в пике – это дала «перемотка», – рассказал изобретатель.
От исходного автомобиля «Таврия» у машины остались лишь кузов и ходовая. Все остальное удалено за ненадобностью. Автомобиль весом 700 килограммов «рвет» с места и на 3-й, и на 4-й передаче, при этом движется практически беззвучно.
Максимальная скорость «Таврии E-volution-AC» – 110 км/ч, дальность перемещения без подзарядки – около ста километров. И это только начало. В ближайших планах изобретателя – увеличение всех показателей автомобиля минимум на 30%. 4 года назад изобретатель уволился с работы и все свое время теперь посвящает любимому делу, систематически презентуя свои разработки за рубежом.
– Европейцы вокруг бегают, слюни пускают. Но наш разработчик очень жестко с ними работает – говорит, в первую очередь выпускать будем у нас в России. Правда, наши российские предприятия почему-то в это все не верят, говорят, что таких параметров, которые я отсылал, быть не может. Но я езжу на этом деле, и в Киеве машинки бегают, – заявил Корхов.

элетромобильный двигатель «Славянка»
Увлечение электродвигателями началось еще в детстве, рассказывает изобретатель, сейчас во дворе у него с десяток агрегатов, оснащенных электродвигателями собственной разработки: от электромопедов и электромотоблока до солнечных батарей. Все агрегаты в самом доме на автономном электропитании от солнечных батарей. «Славянка» с каждым годом будет мощнее и легче, уверяет конструктор, и в недалеком будущем, если появятся инвесторы, его «Таврия E-volution-AC» переплюнет всемирно известный электрокар «Тесла».
– Самый известный электрокар – «Тесла С» использует такой же тип асинхронных моторов, но не с обмоткой «Славянка». Так как «Славянка» дает большие преимущества, мы надеемся переплюнуть и «Теслу»: в том же габарите мотора получить большую мощность, больший момент и большую экономичность, – рассказывает Игорь Корхов.
https://lifenews.ru/
Как подготовить для подключения
Для правильного включения трехфазного двигателя необходимо помнить, что существует несколько схем соединения обмоток, среди которых:
- «Звезда». Одни концы обмотки соединяют вместе, а другими подключаются к фазным проводам сети;
- «Треугольник». Все три обмотки соединяются последовательно — конец каждой обмотки с началом следующей. Напряжение сети подается на точки соединения.
Вам это будет интересно Монтаж и подключение теплого пола
Обратите внимание! Для получения одинаковой мощности при соединении типа «звезда» требуется напряжение в √3 раз больше, чем при «треугольнике». Для двигателей, у которых допускается произвольное переключение обмоток, на шильдике обязательно указывается рабочее напряжение «220/380» или «127/220»
Первое значение относится к соединению «треугольник», второе к «звезде».

Колодка двигателя, соединение «звезда»
В таких электродвигателях на клеммную колодку попарно в три ряда выведены начало и концы всех обмоток:
- начало первой обмотки — конец второй;
- начало второй — конец третьей;
- начало третьей — конец первой.

Колодка двигателя, соединение «треугольник» Для соединения «звезда» подключают один ряд из трех клемм двумя перемычками, а для соединения «треугольник» замыкают каждую пару тремя перемычками.
Подключение трехфазного двигателя на 380 вольт
К нему нельзя подключать другие провода электрической сети — только желто-зеленый конец сетевой вилки. И в завершение нужно отметить такой момент — добиваться идеальных значений нет смысла, поскольку это возможно только, если нагрузка будет стабильной, например, если двигатель будет использоваться в качестве вытяжки.
Поэтому каждый придется подбирать индивидуально. Это означает, что фазы в нем подключены с некоторым смещением.
Без вольтметра со стрелкой не обойтись. Если мощность более 3 кВт, к бытовой сети мотор нельзя. Двухполюсный выключатель подаст питание двигателя.
Это позволяет не только экономить электроэнергию например, при использовании частотного регулирования насосов для подачи воды , но и управлять подачей насосов объёмного типа, превращая их в дозировочные любые насосы объёмного принципа действия. Без дополнительных конденсаторов или других приспособлений подключить напрямую двигатель на к не получиться. Если концов три, то это значит, что на заводе внутри мотора уже сделана схема подключения звезда.
У таких моторов обмоток три. Есть 2 способа подключения электродвигателя: — использование автоматического выключателя или автомата защиты электродвигателя Эти устройства при включении подают напряжение сразу на все 3 фазы.
Схема включения трехфазного двигателя на 220 вольт

Обязательно посоветуйтесь с опытным электриком, который подскажет, сможет ли проводка выдержать требуемую нагрузку от агрегата. Добиваются чтобы отклонялась стрелка в ту же сторону, что при первом измерении. Это при подключении звездой, для подключения треугольником результат будет мкФ.
Использовать частотный преобразователь, который преобразует одну фазу вольт в три фазы вольт в этой статье мы рассматривать такой метод не будем Использовать конденсаторы этот метод мы и рассмотрим более подробно. Схема включения трехфазного двигателя на вольт Для этого нам потребуются конденсаторы, но не абы какие, а для переменного напряжения и номиналом не менее , а лучше вольт и выше. Первый соединяется с питающей сетью с одной стороны, а с другой стороны к нему подсоединяются концы обмоток.
В этом случае, даже при снижении оборотов вала основного двигателя, дополнительный вентилятор обеспечит надёжное охлаждение электродвигателя. Подсоединить потребуется к обмотке батарейку, а к другой — вольтметр. Схемы подключения Начнем с того, что рассмотрим конструкцию трехфазного электродвигателя. Ко второму пускателю производится подсоединение треугольником, к третьему звездой.
электродвигатель схема подключения
https://youtube.com/watch?v=hwvm5GXfPtc
Устройство обмоток
Катушка обмотки из двух секций
Статорная обмотка улаживается в специальные пазы. Она состоит из катушек, которые соединяются друг с другом со сдвигом по фазам. Катушка, в свою очередь, – это отдельные витки изолированного провода, называемые секциями и намотанные согласно обмоточным данным. Если в паз производится укладка одной катушки, то это однослойная обмотка, а если двух, тогда двухслойная.
Расчет числа пазов на полюсное деление проводят по формуле: Q =”” Z/2p, где Z – это количество пазов в статоре, а 2р – число полюсов.
Можно также посчитать число пазов, которые приходят на фазу и на полюс трехфазной обмотки: q =”” Q/3 =”” z/(3*2p)
Также считаются все необходимые коэффициенты, а также сопротивление обмоток и значения индуктивности.
Общая схема однослойной трехфазной обмотки выглядит таким образом:

А двухслойной так:

Коэффициент заполнения паза обязательно стоит учитывать, ведь чем толще провод, тем сложнее намотка. Расчет этого коэффициента проводят по формуле:
Видно, что он прямо пропорционален сечению проводов вместе с изоляцией и обратно пропорционален площади самого паза.
Читать также: Чем склеить стекло и пластик
Обмотка должна плотно входить в пазы, иначе будет появляться паразитная индуктивность, вызывающая лишний нагрев.
Находим выход проводов
В процессе ремонта электродвигателя возникает необходимость определения начала и конца его выводов. Представим ситуацию: есть шесть проводов от катушек, их необходимо правильно соединить между собой. Как это сделать, чтобы не попутать фазы?
Эта операция, состоящая из нескольких шагов, делается методом измерений при помощи комбинированного прибора. Сперва определяем, какие вывода к каким катушкам относятся. Просто меряем их сопротивление между собой, находим три катушки.
Теперь соединяем две катушки таким образом:

Можно подать не 220, а 100 вольт и посмотреть показания вольтметра. Если он покажет напряжение, значит, обмотки включены правильно, если ничего не покажет, или очень мало, то их вывода нужно переключить наоборот и проверить еще раз, чтобы убедиться в правильном фазном подключении. Аналогичным образом остается найти правильность соединения третьей катушки. Теперь начала и концы катушек найдены.
Виды совмещенной обмотки «Славянка»
Совмещенная обмотка «Славянка» может быть однослойной или двухслойной, а ее шаг укороченным или диаметральным. Сдвиг между самими обмотками — основной и дополнительной (совмещенной) – будет равен 30 электрическим градусам.
Так же принято различать две схемы соединения фаз совмещенной обмотки:
- параллельная, при которой основная обмотка это «звезда», а совмещенная «треугольник»;
- последовательная, предполагающая сохранение первоначальной схемы основной обмотки, с пересчетом совмещенной на «треугольник».
Что касается совмещенной обмотки «Славянка» со схемой последовательного соединения фаз, то она демонстрирует более высокие рабочие характеристики по сравнению с аналогичными параллельной.
Схемы соединений обмоток треугольник и звезда для чайников
Наиболее распространенный вопрос у начинающих изучения устройства трансформаторов или иных электротехнических устройств это «Что такое звезда и треугольник?». Чем же они отличаются и как устроены, попробуем разъяснить в нашей статье.
Рассмотрим схемы соединений обмоток на примере трехфазного трансформатора. В своем строении он имеет магнитопровод, состоящий из трёх стержней. На каждом стержне есть две обмотки – первичная и вторичная.
На первичную подается высокое напряжения, а со вторичной снимается низкое напряжение и идет к потребителю.
Обратите внимание
В условном обозначении схема соединений обозначается дробью (например, Y⁄∆ или Y/D или У/Д), значение числителя – соединение обмотки высшего напряжения (ВН), а значение знаменателя – низшего напряжения (НН).
Каждый стержень имеет как первичную обмотку так и вторичную (три первичных и три вторичных обмотки). У каждой обмотки есть начало и конец. Обмотки можно соединить между собой способом звезда или треугольник. Для наглядности обозначим вышеперечисленное схематически (рис. 1)
При соединении звездой, концы обмоток соединяются вместе, а из начал идут три фазы к потребителю. Из вывода соединений концов обмоток, выводят нейтральный провод N (он же нулевой). В итоге получается четырёх – проводная, трёхфазная система, которая часто встречается вдоль линий воздушных электропередач.(рис. 2)
Преимущества такой схемы соединения в том, что мы можем получить 2 вида напряжения: фазное (фаза+нейтраль) и линейное. В таком соединении линейное напряжение больше фазного в √3 раз. Зная, что фазное напряжение дает нам 220В, то умножив его на √3 = 1,73, получим примерно 380В – напряжение линейное.
Так же стоит отметить что только в соединении звезда имеется нейтральный провод, который является «уравнителем» нагрузки, чтобы напряжение не менялось и не скакало.
Рассмотрим теперь соединение обмоток треугольником. Если мы конец фазы А, соединим с началом фазы В, конец фазы В соединим с началом фазы С, а конец фазы С соединим с началом фазы А, то получим схему соединения обмотки треугольником. Т.е. в этой схеме обмотки соединены последовательно. (рис. 3)
Важно
В основном такая схема соединения применяется для симметричной нагрузки, где по фазам нагрузка не изменяется. В таком соединении фазное напряжение равно линейному, а вот электрический ток, наоборот, в такой схеме разный. Ток линейный больше фазного тока в √3 раз. Соединение обмотки треугольником обеспечивает баланс ампер-виток для тока нулевой
последовательности. Простыми словами, схема соединения треугольником обеспечивает сбалансированное напряжение.
https://youtube.com/watch?v=iG9TJO38XSM
Подведем итоги.
Для базового определения схем соединения обмоток силовых трансформаторов, необходимо понимать, что разница между этими соединениями состоит в том, что в звезде все три обмотки соединены вместе одним концом каждой из обмоток в одной (нейтральной) точке, а в треугольнике обмотки соединены последовательно. Соединение звезда позволяет нам создавать два вида напряжения: линейное (380В) и фазное (220В), а в треугольнике только 380В.
Выбор схемы соединения обмоток зависит от ряда причин:
- Схемы питания трансформатора
- Мощности трансформатора
- Уровня напряжения
- Асимметрии нагрузки
- Экономических соображений
Так например, для сетей с напряжением 35 кВ и более выгодно соединить обмотку трансформатора схемой звезда, заземлив нулевую точку. В данном случае получится, что напряжение выводов трансформатора и проводов линии передачи относительно земли будет всегда в √3 раз меньше линейного, что приведёт к снижению стоимости изоляции.
На практике чаще всего встречаются следующие группы соединений: Y/Y, D/Y, Y/D.
Группа соединений обмоток Y/Y (звезда/звезда) чаще всего применяется в трансформаторах небольшой мощности, питающих симметричные трёхфазные электроприборы/электроприемники. Так же иногда применяется в схемах большой мощности, когда требуется заземление нейтральной точки.
Группа соединения обмоток D/Y (треугольник/звезда) применяется, в основном в понижающих трансформаторах больших мощностей. Чаще всего трансформаторы с таким соединением работают в составе систем питания токораспределительных сетей низкого напряжения. Как правило, нейтральная точка звезды заземляется, для использования как линейного, так и фазного напряжений.
Группа соединений обмоток Y/D (звезда/треугольник) используется, в основном, в главных трансформаторах больших силовых станций и подстанций, не служащих для распределения.
Как управлять переключениями электродвигателя
Часто для пуска электрического двигателя большой мощности используется переключение соединения «треугольник» в «звезду», это необходимо для снижения параметров тока при пуске. Иными словами, пуск двигателя происходит в режиме «звезда», а вся работа осуществляется на соединении «треугольник». Для этой цели используется контактор на три фазы.
Необходимо при автоматическом переключении выполнить обязательные условия:
- сделать блокировку контактов от одновременного срабатывания;
- обязательное исполнение работы, с задержкой времени.
Задержка времени необходима для 100%-го отключения соединения «звезда», иначе при включении соединения «треугольник» возникнет между фазами КЗ. Используется реле времени (РВ), которое выполняет задержку переключения на интервал от 50 до 100 миллисекунд.
Какими способами можно сделать задержку времени переключений
Когда применяется схема «звезда и треугольник», надо обязательно выполнять задержку времени включения соединения (Δ), пока не отключится соединение (Y), специалистами отдается предпочтение трем методам:
- с помощью контакта нормально разомкнутого в реле времени, который проводит блокировку схемы «треугольник», когда происходит пуск электродвигателя, а момент переключения контролирует токовое реле (РТ);
- используя таймер в реле времени современного исполнения, который имеет способность переключать режимы с интервалом от 6 до 10 секунд.
Стандартная схема переключения
Классический вариант переключения со «звезды» на «треугольник» специалистами считается надежным способом, он не требует больших затрат, прост в исполнении, но, как и любой другой способ, имеет недостаток — это габаритные размеры РВ (реле времени). Этот тип РВ гарантированно выполняет задержку времени намагничиванием сердечника, а чтобы размагнитить его, требуется время.
Схема смешанного (комбинированного) включения работает следующим образом. Когда оператор включает трехфазный выключатель (АВ), пускатель электродвигателя приготовлен к действию. Через контакты кнопки «Стоп», нормально замкнутого положения и через нормально разомкнутые контакты кнопки «Пуск», которую нажимает оператор, электрический ток проходит в катушку контактора (КМ). Контакты (БКМ) обеспечивают самоподхват силовых контактов и удерживают их во включенном положении.
Реле в схеме (КМ) обеспечивает способность отключения оператором кнопкой «Стоп» электрический двигатель. Когда «фаза управления» проходит через пусковую кнопку, она также проходит замкнутые нормально расположенные контакты (БКМ1) и контакты (РВ) — запускается контактор (КМ2), силовые контакты его обеспечивают подачу напряжения на соединение (Y), начинается раскрутка ротора электродвигателя.
https://youtube.com/watch?v=l1LB48MiwDA
Когда оператор осуществляет пуск двигателя, контакты (БКМ2) в контакторе (КМ2) размыкаются, это порождает неработающее состояние силовых контактов (КМ1), которые обеспечивают питание соединения двигателя Δ.
Токовое реле (РТ) срабатывает практически сразу из-за высоких значений тока, которое включено в цепь токовых трансформаторов (ТТ1) и (ТТ2). Управляющая цепь катушки контактора (КМ2) шунтируется контактами токового реле (РТ), что не дает сработать (РВ).
В цепи контактора (КМ1) блок контактов (БКМ2) размыкается при запуске (КМ2), что не дает сработать катушке (КМ1).
С набором нужного параметра оборотов вращения ротора двигателя контакты токового реле размыкаются, так как пусковой ток уменьшается в управлении контактора (КМ2), одновременно с размыканием контактов, подающих напряжение на соединение обмотки (Y), БКМ2 соединяются, что приводит в рабочее положение контактор (КМ1), а в его цепи блок контактов БКМ2 размыкается, и, как следствие, обесточивается РВ. Преобразование включения «треугольника» в «звезду» происходит после остановки двигателя.
Важно! Временное реле отключается не сразу, а с задержкой, что дает некоторое время в цепи (КМ1) контактам реле быть замкнутым, этим обеспечивается пуск (КМ1) и работа двигателя по схеме «треугольник»
Недостатки стандартной схемы
Несмотря на надежность работы классической схемы переключения с одного соединения на другое соединение электрического двигателя большой мощности, она имеет свои неудобства:
надо правильно делать расчет нагрузки на вал электродвигателя, иначе он будет долго набирать обороты, что не даст быстро сработать токовому реле и затем переключиться на работу по соединению Δ, а также в этом режиме крайне нежелательно долго эксплуатировать двигатель;
Соединение «звездой» и его преимущества
Реверсивная схема двигателя 380 на 220 Вольт
Каждая из трех рабочих обмоток электродвигателя имеет два вывода – соответственно начало и конец. Концы всех трех обмоток соединяют в одну общую точку, так называемую нейтраль.
При наличии нейтрального провода в цепи схему называют 4-х проводной, в противном случае, она будет считаться 3-х проводной.
Начало выводов присоединяют к соответствующим фазам питающей сети. Приложенное напряжение на таких фазах составляет 380 В, реже 660 В.
Основные преимущества применения схемы «звезда»:
- Устойчивый и длительный режим безостановочной работы двигателя;
- Повышенная надежность и долговечность, за счет снижения мощности оборудования;
- Максимальная плавность пуска электрического привода;
- Возможность воздействия кратковременной перегрузки;
- В процессе эксплуатации корпус оборудования не перегревается.
Существует оборудование с внутренним соединением концов обмоток. На колодку такого оборудования будет выведено всего лишь три вывода, что не позволяет применить другие методы соединения. Выполненное в таком виде электрооборудование, для своего подключения не требует грамотных специалистов.

Подключение трехфазного двигателя к однофазной сети по схеме звезда
Способы подключения асинхронных двигателей
Различные модели асинхронных двигателей используются в бытовых кондиционерах, в насосных системах и аппаратуре промышленного назначения. Они, как правило, оснащаются преобразователями частоты, которые в зависимости от предназначения, выполняют постепенный набор оборотов при включении, или плавное, не ступенчатое, переключение скоростей.
Схема подключения обычно дается прямо на корпусе, где маркируются выводящие провода пусковой и рабочей обмотки. В других случаях их можно определить при помощи замеров сопротивления. Величина в Омах в двух вариантах последовательного соединения должна в сумме быть равной показателю сопротивления пары обмоток ротора и статора.
Конденсаторы могут быть установлены по схеме подключения к статорной обмотке, для обеспечения пуска электродвигателя, или в качестве рабочего устройства, подсоединенного к основной обмотке. Возможен и комбинированный вариант с двумя конденсаторами.
Емкость теплообменника зависит от мощности мотора в расчете 7мкФ на 100Вт. Чрезмерный нагрев корпуса после запуска свидетельствует о недостаточной емкости подключенных конденсаторов. Если наблюдается спад мощности и замедление оборотов, следует уменьшить емкость.
Трехфазными двигателями, отличающимися большой мощностью и возможностью автоматического старта оборудуют деревообрабатывающие и токарные станки. К трехфазной сети питания такие моторы подсоединяются в двух конфигурациях: треугольной или в виде звезды.
Частотные преобразователи – важный элемент системы управления двигателем, могут быть заменены симисторами для плавного пуска, которые подключаются по трехфазной схеме. Это позволяет снизить расход электроэнергии и износ мотора, предотвращает перегрев и дает ряд дополнительных возможностей для подключения автоматики.
Устройство двигателя
В перпендикулярной плоскости, представленной магнитопроводом, вокруг проводника возникают магнитные потоки Ф. По ней проходит переменный синусоидальный ток, имеющий положительные и отрицательные полуволны. Достаточно подать на статор двигателя трехфазное напряжение и двигатель сразу запускается.
В этих схемах вместо установки на вводе рубильников с предохранителями применяют воздушные автоматы. Динамическое торможение, в отличие от торможения противовключением и фрикционного метода, является плавным, мягким торможением.
Таким образом, также как было описано ранее, в стержнях ротора будет индуцироваться ток, в результате чего ротор начнет вращаться.
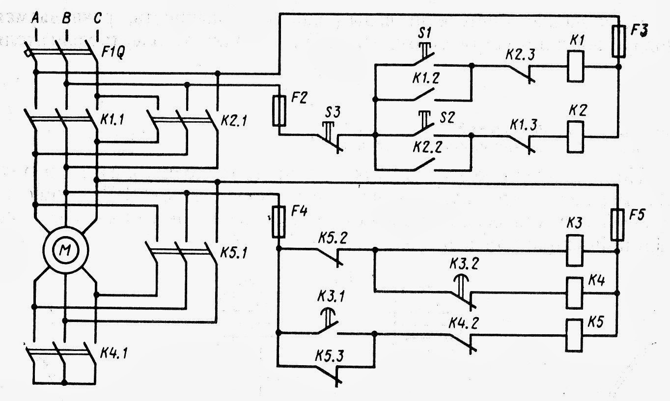
Кнопка S2 освобождается и принимает исходное положение, контактор К2М обесточивается, контакты К2 1—2 М размыкаются. Благодаря этому при отпускании кнопки катушка пускателя не теряет питание, так как ток в этом случае идет через блокировочный контакт.
Поэтому для защиты электродвигателей от длительных перегрузок при использовании автомата с электротепловым расцепителем такого типа применяются дополнительные электротепловые реле, как и при использовании автоматического выключателя с электромагнитным расцепителем.
Одновременно закроется вспомогательный контакт K1A. Схема подключения такого двигателя показана на рисунке справа.
Скольжение асинхронного двигателя может изменяться в диапазоне от 0 до 1, т. Пользователей: Устройство однофазного асинхронного двигателя Однофазные асинхронные двигателя выпускают от 5Вт до 10кВт.
Определение схемы обмоток и рабочего напряжения асинхронного электродвигателя
https://youtube.com/watch?v=qfOH89_mGS0






