ПИТАЮЩАЯ КОРОБКА НА СЕТЕВОМ РАСПРЕДЕЛИТЕЛЕ
Стандартная и широко используемая последовательность, применяется для музыкальных усилителей и магнитол. Но только при наличии подключения хорошего фильтрующего охладителя, который сможет сделать необходимую пульсацию.
Плюсом, подсоедините стабилизирующего элемента на 12 Вольт. При его отсутствии, интенсивность изменится по скачкам тока в сети: U выхода=U входа* на коэфф. Трансформ.
Возможности распределителя получить 12-15 вольт меняющегося потока. Прямая напряженность будет немного выше, примерно на 1,41 раз. Оно приблизится к синусоиде на входном напряжении.
Отключение при падении напряжения
Если вы используете в конструкции аккумуляторную батарею, которая параллельно работает в автомобиле, то рекомендуется позаботиться о том, чтобы автоматически отключался при низком заряде преобразователь с 12 на 220. Своими руками собрать простую схему отключения несложно. Если разрядится аккумулятор полностью, то вы не сможете завести двигатель даже с буксира. Поэтому внедрите в схему простой элемент – электромагнитное реле. Такие используются в автомобилях, поэтому найти его не составит труда.

У реле есть нижнее пороговое значение напряжения, при котором происходит замыкание контактов. Чтобы настроить более точно момент, необходимо подбирать сопротивление резистора R1. Оно должно быть равно сопротивлению обмотки реле, помноженному на коэффициент 0,1. Внедрить такую доработку можно без особого труда в преобразователь с 12 на 220. Своими руками подключить реле и резистор сможет даже начинающий электрик.
Но такая схема примитивна, и эффективность у нее крайне низкая, лучше воспользоваться модернизированной, она поддерживает точнее порог отключения батареи от инвертора.

Разновидности преобразователей 12 на 220 вольт
Инверторы — устройства, позволяющие преобразовывать постоянные токовые величины, включая 12 В, в переменный ток с изменением уровня напряжения или без. Как правило, такие приборы являются генераторами периодического напряжения, приближенного к форме синусоиды.
Все выпускаемые в настоящее время преобразователи напряжения постоянных токовых величин могут быть представлены:
- регуляторами напряжения;
- преобразователями уровня напряжения;
- линейными стабилизаторами.

Самодельный преобразователь
Чисто теоретически, на выход можно получить любые токовые величины, регулируемые от нулевой отметки до максимальных значений. Чаще всего в качестве источника постоянного тока на 12 В используется стандартная аккумуляторная батарея. Существующие на сегодняшний день преобразователи отличаются по нескольким параметрам.
В зависимости от вида получаемой синусоиды:
- Приборы, создаваемые синусоиду нормального или постоянного вида, характеризуются функционированием без отклонений и соблюдением всех эксплуатационных параметров с высоким уровнем точности. Такие устройства используются в подключении любых электроприборов, которые работают в условиях напряжения 220 В.
- Приборы, создаваемые синусоиду модифицированного вида, характеризуются незначительными отклонениями в величине напряжения. Такие особенности не способны оказывать негативное воздействие на эксплуатационные качества стандартных бытовых устройств. Тем не менее, такое оборудование не применяется для подключения приборов, относящихся к категории сложной измерительной или медицинской техники.
В зависимости от показателей мощности:
- преобразователи с мощностью до 100 Вт не рассчитаны на слишком высокие нагрузки, поэтому являются оптимальным вариантом для питания зарядного устройства простого бытового прибора;
- преобразователи с мощностью в пределах от 100 Вт до 1,5 кВт. Такой тип устройств применяется преимущественно для питания простых приборов, подключаемых к бытовой электросети;
- преобразователи с мощностью выше 1,5 кВт позволяют обеспечивать питанием такие достаточно мощные бытовые приборы, включая микроволновую печь, утюги и объёмные мультиварки.
- устройства компактного типа, отличающиеся неприхотливостью к источнику питания, и функционирующие в условиях напряжения 12-50 В;
- устройства стационарного типа, обладающие чистым синусом и выдающие низковольтное напряжение 12-36 В;
- автомобильные устройства переносного типа, характеризующиеся работой в определенных устройствах.
При выборе модели преобразователя показателей напряжения рекомендуется приобретать прибор, имеющий некоторый запас по уровню мощности.
Преобразователи напряжения с 12 на 220 В выдают на выход стандартные показатели, соответствующие основным характеристикам домашней электросети, поэтому являются совместимыми с практически любыми бытовыми приборами.
Трансформатор: подберём или сами
Для сборки инвертора нам не хватает всего одного элемента схемы, выполняющего трансформацию низкого напряжения в высокое. Вы можете использовать трансформаторы из блоков питания персональных компьютеров и старых ИБП, их обмотки как раз рассчитаны на трансформацию 12/24–250 В и обратно, остаётся лишь правильно определить выводы.

И всё же лучше намотать трансформатор своими руками, благо что ферритовые кольца дают возможность сделать это самому и с любыми параметрами. Феррит обладает отличной электромагнитной проводимостью, а значит, потери при трансформации будут минимальными даже если провод намотан вручную и не плотно. К тому же вы легко рассчитаете необходимое количество витков и толщину провода по имеющимся в сети калькуляторам.

Перед намоткой кольцо сердечника нужно подготовить — снять надфилем острые кромки и плотно обмотать изолятором — стеклотканью, пропитанной эпоксидным клеем. Далее следует намотка первичной обмотки из толстого медного провода расчётного сечения. После набора нужного количества витков их необходимо равномерно распределить по поверхности кольца с равным интервалом. Выводы обмотки соединяются согласно схеме и изолируются термоусадкой.

Первичная обмотка покрывается двумя слоями лавсановой изоленты, затем наматывается высоковольтная вторичная обмотка и ещё один слой изоляции. Важный момент — мотать «вторичку» нужно в обратном направлении, иначе трансформатор работать не будет. В завершение к одному из отводов нужно припаять в разрыв полупроводниковый термопредохранитель, ток и температура срабатывания которого определяются параметрами провода вторичной обмотки (корпус предохранителя нужно плотно примотать к трансформатору). Сверху трансформатор обматывается двумя слоями виниловой изоляции без клейкой основы, конец закрепляется стяжкой или цианакрилатным клеем.

Процессы, протекающие в электрической схеме сварочного инвертора
Схема сварочного аппарата инверторного типа позволяет увеличивать частоту тока со стандартных 50 Гц до 60–80 кГц. Благодаря тому, что на выходе такого устройства регулировке подвергается высокочастотный ток, для этого можно эффективно использовать компактные трансформаторы. Увеличение частоты тока происходит в той части электрической схемы инвертора, где расположен контур с мощными силовыми транзисторами. Как известно, на транзисторы подается только постоянный ток, для чего и необходим выпрямитель на входе аппарата.
Принципиальная схема заводского сварочного инвертора «Ресанта» (нажмите, чтобы увеличить)
Схема инвертора от немецкого производителя FUBAG с рядом дополнительных функций (нажмите, чтобы увеличить)
Пример принципиальной электрической схемы сварочного инвертора для самостоятельного изготовления (нажмите, чтобы увеличить)
Принципиальная электрическая схема инверторного устройства состоит из двух основных частей: силового участка и цепи управления. Первым элементом силового участка схемы является диодный мост. Задача такого моста как раз и состоит в том, чтобы преобразовать переменный ток в постоянный.
В постоянном токе, преобразованном из переменного в диодном мосту, могут возникать импульсы, которые необходимо сглаживать. Для этого после диодного моста устанавливается фильтр, состоящий из конденсаторов преимущественно электролитического типа
Важно знать, что напряжение, которое выходит из диодного моста, примерно в 1,4 раза больше, чем его значение на входе. Диоды выпрямителя при преобразовании переменного тока в постоянный очень сильно нагреваются, что может серьезно сказаться на их работоспособности
Компоненты сварочного инвертора на примере самодельного аппарата
Чтобы защитить их, а также другие элементы выпрямителя от перегрева, в данной части электрической схемы используют радиаторы. Кроме того, на сам диодный мост устанавливается термопредохранитель, в задачу которого входит отключение электропитания в том случае, если диодный мост нагрелся до температуры, превышающей 80–90 градусов.
Высокочастотные помехи, создаваемые при работе инверторного устройства, могут через его вход попасть в электрическую сеть. Чтобы этого не произошло, перед выпрямительным блоком схемы устанавливается фильтр электромагнитной совместимости. Состоит такой фильтр из дросселя и нескольких конденсаторов.
Блок питания инвертора
Сам инвертор, который преобразует уже постоянный ток в переменный, но обладающий значительно более высокой частотой, собирается из транзисторов по схеме «косой мост». Частота переключения транзисторов, за счет которых и происходит формирование переменного тока, может составлять десятки или сотни килогерц. Полученный таким образом высокочастотный переменный ток имеет амплитуду прямоугольной формы.
Получить на выходе устройства ток достаточной силы для того, чтобы можно было с его помощью эффективно выполнять сварочные работы, позволяет понижающий напряжение трансформатор, установленный за инверторным блоком. Для того чтобы получить с помощью инверторного аппарата постоянный ток, после понижающего трансформатора подключают мощный выпрямитель, также собранный на диодном мосту.
Транзисторы для силового модуля сварочного инвертора
Обзор лучших автоинверторов
Для составления рейтинга были использованы следующие параметры:
- мощность;
- качество выходного напряжения;
- поведение при перегрузках;
- комплектация;
- дополнительные функции (если есть);
- отзывы в реале и интернете;
- внешний вид;
- средняя цена в марте 2016 года.
МАП «Энергия» 900
Мощность 900 ватт, входное напряжение 10-15 вольт. Выходное напряжение со минимальным количеством гармоник и частотой 50 герц. При нагрузке свыше 1,3 киловатт автоматически отключается. Если нагрузка соответствует норме, то напряжение стабильно. Может использоваться как мощное пускозарядное устройство (обратное преобразование из 220 в 12 вольт). Внешний вид – большая и тяжелая коробка с цифровым индикатором и переключателями. Стоимость 35 тысяч рублей.
Штиль PS12/300
Мощность 300 ватт, входное напряжение 10,5–14 вольт. Выходное напряжение с минимумом количеством гармоник и частотой 50-60 герц. Если нагрузка на выходе менее 300 ватт, то напряжение стабильно. При увеличении мощности нагрузки напряжение начинает падать. Инвертор комплектуется проводами и разъемами для подключения к автомобильному аккумулятору, а также переходником для прикуривателя. На вид серая неказистая коробка на резиновых ножках. Стоимость 4500 рублей.
MobilEn SP-150
Заявленная мощность 150 ватт, но на испытаниях выдерживал нагрузку в 180 ватт, не снижая напряжения. Подключение дополнительной нагрузки приводит к срабатыванию защиты. При перегрузке сигнализирует легким, но неприятным писком. После отключения пищит очень громко. Выходное напряжение с минимумом гармоник частотой 50-60 герц. Оснащен штатным USB-портом, поэтому можно использовать для зарядки телефона, фотоаппарата, видеокамеры или iPod. Внешний вид – небольшая прямоугольная коробка, на одном торце которой расположена стандартная розетка, на другой сдвоенный провод с переходником на прикуриватель. Стоимость 1300 рублей.
MeanWell A301‑150‑F3
Мощность 150 ватт, входное напряжение 10,5–15 вольт. Выходное напряжение с минимумом гармоник и частотой 50-55 герц. При увеличении нагрузки до 175 ватт происходит автоматическое отключение. Оснащен стандартной розеткой и шнуром питания с переходником для прикуривателя. На вид серебристый аккуратный цилиндр. Стоимость 3500 рублей.
AcmePower DS-120
Заявленная мощность 120 ватт, но хорошо работает лишь при нагрузке менее 100 ватт. При увеличении мощности нагрузки до 107-110 ватт устройство автоматически выключается. Выходное напряжение со средним количеством гармоник и частотой 50-60 герц. Оснащен штатным USB-портом, поэтому можно использовать для зарядки телефона, фотоаппарата, видеокамеры или iPod. В комплект входит провод с переходником для прикуривателя. Внешний вид – аккуратная небольшая плоская коробочка из черного/серого пластика. Стоимость 750 рублей.
Функционирование и принцип устройства
Чтобы понять, что такое трансформаторы, повышающие напряжение, нужно вникнуть в принцип работы. Оборудование изготавливается для электростанций, схемы конструкции которых относятся к проходной категории.
Повышающий трансформатор на электростанциях используется для обеспечения населенных пунктов, прочих объектов током с определенными техническими показателями. Без преобразователя высокое напряжение по пути своего следования постепенно снижается.

Конечный потребитель получал бы недостаточное количество электроэнергии. На конечной в цепи электростанции благодаря этой установке, принимают электричество соответствующего значения. Потребитель получает напряжение в сети до 220 В. Промышленные сети обеспечиваются до 380 В.
От подстанции электричество поступает в высоковольтную линию. Далее энергия попадает на понижающую подстанцию. Здесь она снижается до 12кВ. Трансформаторами с обратным принципом действия ток направляется в низковольтную линию передач. В конце устанавливается еще один понижающий агрегат. От него электричество с показателем 220 В поступает в дома, квартиры.

Рассматривая, как работает трансформатор, повышающий напряжение, нужно вникнуть в основные принципы действия конструкции. Основой работы трансформатора является механизм электромагнитной индукции.

Металлический сердечник находится в изоляционной среде. В схему включено две катушки. Количество обмоток неодинаковое. Повысить показатель способны катушки, в первом контуре которых больше витков, чем во втором.
Напряжение переменного типа поступает на первый контур. Например, это ток в сети 110 (100) В. Появляется магнитное поле. Его сила увеличивается при правильном соотношении обмоток в сердечнике. Когда электричество проходит по второй обмотке в повышающем трансформаторе появляется ток с определенным показателем. Например, обеспечивается показатель характеристики сети 220 В.
При этом частота остается прежней. Для поступления постоянного тока в линию электроснабжения в цепь монтируется преобразователь. Этот прибор может быть в оборудовании повышающего типа. Прибор способен работать не только для изменения напряжения, но и частоты. Определенное оборудование питается постоянным током.
Ремонт преобразователя в сервисном центре
Сервисный центр починит преобразователь 12В 220В
с соблюдением всех правил. Устройство быстро вернется в работу, и это без удара по кошельку пользователя. Эффективность работы сервиса подтверждают многочисленные сертификаты и положительные отзывы клиентов. Все отремонтированные преобразователи напряжения марокСОЮЗ, СИБКОНТАК, ЭНЕРГИЯ и другие проверяются в присутствие заказчика. Дополнительно мы проверяем все оборудование работа под нагрузкой.
- Бесплатные консультации специалистов;
- Помощь с подбором оборудования;
- Выезд специалиста на объект;
- Гарантийное обслуживание и после гарантийное;
- Ремонт в течение 1 часа;
- Гарантия 3 месяца.
Разновидности преобразователей 12 на 220 вольт
Для правильного выбора, ознакомьтесь с основными видами преобразователей напряжения, представленными на рынке электротоваров:
По форме сигнала выходного напряжения
Устройства делятся на чистый синус и модифицированный синус. Разницу в форме сигнала видно на иллюстрации.

Дело в том, что преобразователи работают не так, как генераторы переменного тока. На входе в устройство подается постоянный ток определенной величины.
Сначала он преобразуется в импульсный (для обеспечения работы повышающего трансформатора), затем из полученного пульсирующего тока формируется синусоидальная кривая, привычная для большинства потребителей переменного напряжения 220 вольт.
Для получения гладкой кривой необходима дорогостоящая схема, а большинство производителей стараются предложить покупателю экономную цену.
Зарядным устройствам и блокам питания ноутбуков подойдет и модифицированная кривая. А звуковоспроизводящая аппаратура может работать с перебоями и сильными помехами. Некоторые блоки питания, например, в LED телевизорах, сильно греются при таком входном сигнале.
Имеются случаи выхода из строя блоков питания. Устройства с электродвигателями (например, компрессор холодильника или насос газового котла) также может работать со сбоями при подключении к преобразователю с модифицированным синусом.
По реализации повышающей функции. Способов получить переменное напряжение из постоянного достаточно много. Рассмотрим основные из них:
Трансформаторные преобразователи с 12 на 220
Имеют достаточно примитивную, но при этом эффективную конструкцию. Это самый простой преобразователь, который можно собрать своими руками.

Преобразователь на 220 из трансформатора
При помощи мультивибратора постоянный ток преобразуется в импульсный, с частотой 50 Гц. Затем повышающий трансформатор преобразует напряжение до уровня 220 вольт, на выходе монтируется стабилизатор.
Недостатком такой компоновки является большой размер и невозможность получить чистый синус. Но для простейших задач (работа зарядного устройства или паяльника) вполне сгодится.
Главная задача, которую нужно решить – как намотать трансформатор для преобразователя. Подойдет тороидальный сердечник (для компактности) от любого ненужного блока питания.

Понятное дело, во вторичной обмотке витков должно быть больше в соответствие с коэффициентом повышения. Мощность подобных устройств обычно не превышает 200 Вт.
Преобразователи на задающем генераторе
Обычно для этих целей используется микросхема КР1211ЕУ1. Главная деталь преобразователя отечественного производства, поэтому ее стоимость невысокая.
После того, как генератор задаст переменное напряжение – сигнал уходит на ключи, выполненные на транзисторах IRL2505.

Схема преобразователя с 12 на 220
Далее подключается повышающий трансформатор, на выходе которого сформировано переменное напряжение 220 вольт. Для снижения влияния высокочастотных импульсов, которые многократно усиливаются на вторичной обмотке – установлен подавляющий конденсатор.
Мощность преобразователя может достигать 500 Вт, в зависимости от трансформатора. Его подбирают с запасом, превышающим номинал в 2,5 раза.
Нагрузка на остальные элементы не такая высокая. Например, при выходной мощности, не превышающей значение 200 Вт, ключевые транзисторы работают без радиаторов.
Более совершенными с технической точки зрения являются преобразователи на ШИМ контроллерах. Такие устройства на выходе дают чистый синус, а также имеют высокий КПД.

Схема преобразователя на ШИМ контроллерах
Совершенная схема позволяет создать мощные устройства (1-2 кВт) при относительно компактных размерах. Габариты определяют радиаторы охлаждения и система вентиляции. Высокая стоимость элементной базы выводит прибор из разряда бюджетных.
Однако в сравнении с промышленными образцами, экономия при самостоятельной сборке существенная. Такой преобразователь осилит и питание холодильника.
А качественная форма выходного сигнала позволит подключать требовательные потребители – телевизоры и музыкальные центры.
Однако наибольшим спросом все же пользуются компактные устройства, предназначенные для питания гаджетов поменьше. Схема преобразователя 12 220 на транзисторах доступна каждому радиолюбителю, умеющему держать в руках паяльник.

Схема преобразователя 12 220 на транзисторах
Собрав такую схему в аккуратном корпусе, можно установить ее в автомобиле, и у вас будет настоящая бортовая розетка 220 вольт.
Цены на ремонтные работы преобразователей напряжения
| Наименование работы | Цена (руб.) |
| Снятие/замена силовых транзисторов IGBT | от 2300 |
| Замена вентиляторов охлаждения | от 1200 |
| Ремонт платы управления | от 1600 |
| Снятие/замена микросхем | от 800 |
| Снятие/замена конденсаторов | от 600 |
| Снятие/замена силового трансформатора | от 1400 |
| Восстановление корпуса устройства | от 2104 |
| Замена дисплея | от 1408 |
| Замена кнопок управления | от 607 |
| Чистка оборудования | 600 |
| Срочный ремонт | коэффициент +30% |
| Консультация сервис инженера | 500 |
| Восстановление корпуса преобразователя напряжения | от 1600 |
| Замена резисторов | от 200 |
Все цены без НДС, без стоимости электронных компонентов.
Получаем 12 Вольт из 220
Наиболее часто стоит задача получить 12 вольт из бытовой электросети 220В. Это можно сделать несколькими способами:
- Понизить напряжение без трансформатора.
- Использовать сетевой трансформатор 50 Гц.
- Использовать импульсный блок питания, возможно в паре с импульсным или линейным преобразователем.
Понижение напряжения без трансформатора
Преобразовать напряжение из 220 Вольт в 12 без трансформатора можно 3-мя способами:
- Понизить напряжение с помощью балластного конденсатора. Универсальный способ используется для питания маломощной электроники, например светодиодных ламп, и для заряда небольших аккумуляторов, как в фонариках. Недостатком является низкий косинус Фи у схемы и невысокая надежность, но это не мешает её повсеместно использовать в дешевых электроприборах.
- Понизить напряжение (ограничить ток) с помощью резистора. Способ не очень хороший, но имеет право на существование, подойдет, чтобы запитать какую-то очень слабую нагрузку, типа светодиода. Его основной недостаток – это выделение большого количества активной мощности в виде тепла на резисторе.
- Использовать автотрансформатор или дроссель с подобной логикой намотки.
Гасящий конденсатор
Прежде чем приступить к рассмотрению этой схемы предварительно стоит сказать об условиях, которые вы должны соблюдать:
- Блок питания не универсальный, поэтому его рассчитывают и используют только для работы с одним заведомо известным прибором.
- Все внешние элементы блока питания, например регуляторы, если вы будете использовать дополнительные компоненты для схемы, должны быть изолированы, а на металлических ручках потенциометров надеты пластиковые колпачки. Не касайтесь платы блока питания и проводов для подключения выходного напряжения, если к ним не подключена нагрузка или если в схеме не установлен стабилитрон или стабилизатор для низкого постоянного напряжения.
Тем не менее, такая схема вряд ли вас убьёт, но удар электрическим током получить можно.
Схема изображена на рисунке ниже:
R1 – нужен для разрядки гасящего конденсатора, C1 – основной элемент, гасящий конденсатор, R2 – ограничивает токи при включении схемы, VD1 – диодный мост, VD2 – стабилитрон на нужное напряжение, для 12 вольт подойдут: Д814Д, КС207В, 1N4742A. Можно использовать и линейный преобразователь.

Или усиленный вариант первой схемы:

Номинал гасящего конденсатора рассчитывают по формуле:
С(мкФ) = 3200*I(нагрузки)/√(Uвход²-Uвыход²)
Или:
С(мкФ) = 3200*I(нагрузки)/√Uвход
Но можно и воспользоваться калькуляторами, они есть в онлайн или в виде программы для ПК, например как вариант от Гончарука Вадима, можете поискать в интернете.
Конденсаторы должны быть такими – пленочными:

Или такие:

Остальные перечисленные способы рассматривать не имеет смысла, т.к. понижение напряжения с 220 до 12 Вольт с помощью резистора не эффективно ввиду большого тепловыделения (размеры и мощность резистора будут соответствующие), а мотать дроссель с отводом от определенного витка чтобы получить 12 вольт нецелесообразно ввиду трудозатрат и габаритов.
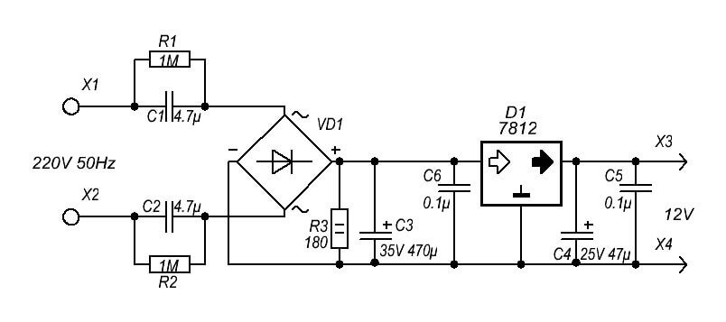
Блок питания на сетевом трансформаторе
Классическая и надежная схема, идеально подходит для питания усилителей звука, например колонок и магнитол. При условии установки нормального фильтрующего конденсатора, который обеспечит требуемый уровень пульсаций.

В дополнение можно установить стабилизатор на 12 вольт, типа КРЕН или L7812 или любой другой для нужного напряжения. Без него выходное напряжение будет изменяться соответственно скачкам напряжения в сети и будет равно:
Uвых=Uвх*Ктр
Ктр – коэффициент трансформации.

Здесь стоит отметить, что выходное напряжение после диодного моста должно быть на 2-3 вольта больше, чем выходное напряжение БП – 12В, но не более 30В, оно ограничено техническими характеристиками стабилизатора, и КПД зависит от разницы напряжений между входом и выходом.
Трансформатор должен выдавать 12-15В переменного тока. Стоит отметить, что выпрямленное и сглаженное напряжение будет в 1,41 раз больше входного. Оно будет близко к амплитудному значению входной синусоиды.
Также хочется добавить схему регулируемого БП на LM317. С его помощью вы можете получить любое напряжение от 1,1 В до величины выпрямленного напряжения с трансформатора.

Преобразователь напряжения 12В аккумулятора в 220В
Повышающий трансформаторный преобразователь напряжения аккумулятора (рис. 2) позволяет получить на выходе напряжение 220 В 50 Гц, потребляя при напряжении 12 В ток 5 А.

Рис. 2. Схема мощного преобразователя напряжения аккумулятора 12В в 220В.
В основе устройства — задающий генератор прямоугольных импульсов, выполненный по схеме мультивибратора, типовая схема которого может быть выполнена как на транзисторах, так и на микросхеме.
Рабочая частота этого генератора должна быть 50 Гц. Поскольку выходная мощность задающего генератора невелика, к выходам мультивибратора подключены двухкаскадные усилители мощности, позволяющие получить усиление по мощности до 1000 раз.
На выходе усилителя включен повышающий низкочастотный трансформатор Т1. Диоды VD1 и VD2 защищают выходные транзисторы преобразователя при их работе на индуктивную нагрузку.
В качестве трансформатора Т1 можно использовать унифицированные трансформаторы типа ТАН или ТПП. Транзисторы VT1 и VT4 допустимо заменить на КТ819ГМ (с радиаторами); VT2 и ѴТЗ — КТ814, КТ816, КТ837; диоды VD1 и VD2 — Д226.
Что такое автомобильный инвертор?
Современные автомобили оснащены огромным количеством приборов, работающих от аккумулятора. Все они рассчитаны на напряжение 12 В, но что делать в ситуациях, когда требуется 220 В? На помощь придет автомобильный инвертор – преобразователь напряжения с 12 В до 220 В. Это настоящая палочка-выручалочка для автомобилистов, которая позволит использовать в автомобиле бытовые приборы, такие как домашняя аудиосистема, телевизор или холодильник. Качественный преобразователь оснащен защитными механизмами, предохраняющими устройство от возгорания в случае его перегрева. На рынке также представлены модели, в которых предусмотрено активное охлаждение воздушного типа.
Внешне инверторы представляют собой боксы небольшого размера, подключаемые к прикуривателю или к электрической системе автомобиля. Они оснащены несколькими розетками для бытовых приборов, а некоторые устройства даже включают порты USB для подсоединения мобильных гаджетов.
Назначение устройства
Устройство, которое преобразует напряжение, также называют инвертором.
Инвертор — это электронный прибор служащий для трансформации подаваемого на его вход постоянного напряжения в электрический сигнал, изменяющийся по времени с другой величиной амплитуды. То есть если на вход прибора подать постоянный сигнал равный 12 вольт, то на его выходе можно будет получить переменное напряжение 220 вольт.
Принцип работы устройства основан на преобразовании электрической энергии. Существуют приборы как заводского изготовления, так и самодельные, но принцип их работы одинаков. Разница лишь в качестве — надёжности и правильности формы выходного сигнала.
https://youtube.com/watch?v=eujy9turvY4
Схемотехника устройств построена на использовании высокочастотных трансформаторов, специализированных микросхем и транзисторов. По виду исполнения схемы инверторы бывают:
- Мостовые — в принципиальной схеме такого типа преобразователей не используются трансформаторы. Обычно так изготавливаются устройства с мощностью до 100 ВА.
- Трансформаторные — ключевую роль в схеме играет трансформатор, имеющий нулевой вывод. Такая схема несложна, но обычно предназначена для питания устройств, мощность которых не превышает 500 ВА.
- Комбинированные — в их схемотехнике используются транзисторы и трансформаторы. Такой подход позволяет создавать преобразователи с широким диапазоном мощностей.
Для чего используют преобразователь
Чаще всего инвертор применяют для подключения ноутбука, принтера, сканера и других устройств к бортовой сети автомобиля. Нередко возникает необходимость подключить к бортовой сети небольшой автохолодильник, мощный компрессор для подкачки шин, дрель или углошлифовальную машину. Использование инвертора позволяет в дороге пользоваться микроволновкой, феном, вибромассажером и другими полезными устройствами. Инвертор позволяет подключить к бортовой сети автомобиля любой электрический или электронный прибор, для питания которого необходимо переменное напряжение 110/220 вольт.
Преобразователь с новейшими деталями
Самодельный инвертор может работать в стабильном режиме, если на выходах транзистор работает от усиленного источника с основным генератором. Для этого допускается использование элементов серий КТ819ГМ, установленных на габаритных радиаторах.
При создании преобразователей применяется упрощенная схема. По ходу процесса следует позаботиться о приобретении необходимых материалов:
- микросхемы КР121ЕУ1;
- транзистороов IRL2505;
- паяльника;
- олова.
Микросхемы КР12116У1 обладают примечательным свойством: они содержат пару каналов для регулирования ключа и позволяют достаточно просто сделать несложный преобразователь напряжения. Микросхемы в температурном диапазоне от +25 до +30°С выдают предельную величину напряжения в пределах 3 и 9 В.
Частоту задающих генераторов определяют параметром элемента в цепях. Транзистор IRL2505 устанавливается при использовании на выходах. На него должно осуществляться поступление сигнала с должным уровнем, благодаря которому происходит регулировка выходного транзистора.
Сформировавшиеся низкие уровни не позволяют транзистору переходить из закрытых видов в какие-либо другие состояния. В итоге в полной мере происходит исключение возникновения мгновенных поступлений тока при одновременном открытии ключей. Если наблюдается попадание высоких уровней к первому выводу, то это способствует отключению импульсных генераций. Схема определяет присоединение общего провода до вывода 1.

Чтобы выполнить монтаж двухтактных каскадов применяются трансформаторы Т1 и транзисторы, в количестве двух штук: VT1 и VT2. В открытых каналах можно увидеть величину сопротивления от 0,008 Ом. Оно является незначительным, в связи с этим значение мощности транзистора небольшое, даже в том случае если проходит большой ток. Выходные трансформаторы, обладающие мощностью в 100 Вт, позволяют применять ток IRL2505 к 104 А, а импульсные составляют 360 А.
К основным особенностям инверторов можно отнести, возможность использования любого трансформатора, имеющего на выходах две обмотки на 12 В.
Если выходная мощность составляет около 200 Вт, то в таких случаях установку транзистора на радиатор не производят
Важно учитывать, что значение электротока с мощностью 400 Вт достигает около 40 А
Рекомендации по подбору радиоэлементов для преобразователя напряжения 12–220 В
Плата CD-4047 не рассчитана на высокоточное управление полевыми транзисторами, но с данным заданием справляется отлично. Также для работы устройства потребуется трансформатор из старого ИБП на 250 или 300 Вт с первичной обмоткой и средней точкой подключения плюса от источника питания.



Виды преобразователей
Преобразователи подразделяют на виды по разным характеристикам – например, по форме сигнала:
- С правильной синусоидой. Такие устройства работают четко и без отклонений. Их эксплуатационные параметры поддерживаются с большой точностью. К ним можно подключать любые электроприборы, которые рассчитаны на 220 V.
- С модифицированной – неправильной формой сигнала, которая имеет небольшие отклонения от точной синусоиды. Величина выходного напряжения этих моделей немного отличается от стандартных 220 вольт, но это не оказывает какого-либо влияния на работу большинства электроприборов, кроме сложной медицинской и измерительной техники.
Также их разделяют по мощности:
- Аппараты менее 100 W. Они способны работать даже от прикуривателя автомобиля, но не могут выдержать высокую нагрузку. Их используют для питания различных маломощных бытовых приборов (электробритва, планшет) или зарядных устройств.
- Модели до 1,5 kW широко используют для подачи постоянного питания на различные приборы, которые работают от сети 220 V. В их комплекте имеются вспомогательные аксессуары (переходники, кабели и пр.) для подключения инвертора к автомобильному аккумулятору.
- Аппараты более 1,5 kW обеспечивают питание агрегатов повышенной мощности (утюга, электрического котла, микроволновой печи и других подобных устройств).
По конструктивным особенностям преобразователи бывают:
- Автомобильные.
- Стационарные.
- Компактные.
Автомобильный преобразователь.




