Собираем “Бегущие огни” своими руками
Здесь пойдёт речь о том, как сделать бегущие огни на светодиодах своими руками. Схема устройства отличается простотой и реализована на логических микросхемах так называемой жёсткой логики – микросхемах серии ТТЛ. Само устройство включает три микросхемы.
Схема состоит из четырёх основных узлов:
-
генератора прямоугольных импульсов;
-
счётчика;
-
дешифратора;
-
устройства индикации (16-ти светодиодов).
Вот принципиальная схема устройства.
Устройство работает следующим образом. После подачи питания светодиоды HL1 – HL16 начинают последовательно загораться и гаснуть. Визуально это выглядит как движение огонька слева направо (или наоборот). Такой эффект и называется «бегущий огонь».
Генератор прямоугольных импульсов реализован на микросхеме К155ЛА3. Задействовано лишь 3 элемента 2И-НЕ этой микросхемы. С 8-го вывода снимаются прямоугольные импульсы. Частота их следования невелика. Это позволяет реализовать видимое переключение светодиодов.
По сути, генератор на элементах DD1.1 – DD1.3 задаёт темп переключения светодиодов, а, следовательно, и скорость «бегущего огня». При желании скорость переключения можно подкорректировать с помощью изменения номиналов резистора R1 и C1.
Стоит предупредить, что при других номиналах R1 и C1 генерация может быть сорвана – генератор не будет работать. Так, например, генератор отказался работать при сопротивлении резистора R1 равном 1 кОм. Поэтому изменять номиналы C1 и R1 можно лишь в некоторых пределах. Если генератор не запустился, то будет постоянно светиться один из светодиодов HL1 – HL16.
Счётчик на микросхеме DD2 необходим для подсчёта импульсов, поступающих от генератора и подачи двоичного кода на дешифратор К155ИД3. По схеме выводы 1 и 12 микросхемы-счётчика К155ИЕ5 соединены. При этом микросхема будет считать поступающие на вход C1 (выв. 14) импульсы и выдавать на выходах (1, 2, 4, 8) параллельный двоичный код, соответствующий количеству поступивших импульсов от 0 до 15. То есть на выходах (1, 2, 4, 8) микросхемы К155ИЕ5 последовательно сменяют друг друга 16 комбинаций кода (0000, 0001, 0010, 0011, 0100 и т.д.). Далее в работу включается дешифратор.
Особенность микросхемы К155ИД3 заключается в том, что она преобразует двоичный четырёхразрядный код в напряжение логического нуля, который появляется на одном из 16 соответствующих выходов (1-11, 13-17). Думаю, такое объяснение не всем понятно. Попробуем разобраться.
Если обратить внимание на изображение микросхемы К155ИД3, то можно заметить, что у неё 16 выходов. Как известно, в двоичном коде из четырёх знаков можно закодировать 16 комбинаций
Больше никак не получится. Напомним, что с помощью четырёхзначного двоичного кода можно закодировать десятичные цифры от 0 до 15 (всего 16 цифр).
Это легко проверить, если возвести 2 (основание системы счисления) в степень 4 (количество разрядов или цифр в коде). Получим 24 = 16 возможных комбинаций. Таким образом, при поступлении на входы микросхемы К155ИД3 двоичного кода в диапазоне от 0000 до 1111 на выходах 0 – 15 появится логический ноль (светодиод засветится). То есть микросхема преобразует число в двоичном коде в логический ноль на выводе, который соответствует числу в двоичном коде. По сути это такой особенный дешифратор из двоичной системы в десятичную.
А почему светится светодиод? На выходе ведь логический ноль. По схеме видно, что аноды всех светодиодов подключены к плюсу питания, а катоды к выходам микросхемы К155ИД3. Если на выходе “0”, то для светодиода это как бы минус питания и через его p-n переход течёт ток – светодиод светится. Если на выходе логическая единица “1”, то ток через светодиод не пойдёт.
Если всё то, что было написано вам всё равно не понятно, то не стоит расстраиваться. Просто соберите предложенную схему, например, на беспаечной макетной плате и наслаждайтесь работой устройства. Схема проверена и исправно работает. Вот короткое видео работающего устройства.
Если в распоряжении уже есть стабилизированный блок питания (например, такой как этот), то интегральный стабилизатор DA1 (КР142ЕН5А) и элементы обвязки (C2, C3, C4) в схему устанавливать не надо.
Все номиналы элементов (конденсаторов и резисторов) могут иметь разброс ±20%. На работу устройства это не повлияет. Светодиоды HL1 – HL16 могут быть любого цвета свечения (красного, синего, зелёного) с рабочим напряжением 3 вольта. Можно, например, использовать яркие красные светодиоды диаметром 10 миллиметров. “Бегущий огонь” с такими светодиодами будет смотреться очень эффектно.
Главная » Цифровая электроника » Текущая страница
Также Вам будет интересно узнать:
-
Эксперименты с RS-триггером
-
Базовые логические элементы и их обозначение на схеме.
-
Как работает JK-триггер?
Микросхема К561ИЕ8. Описание
Рейтинг: / 5
- Подробности
- Категория: Микросхемы
- Опубликовано: 11.02.2018 12:27
- Просмотров: 4405
Довольно популярная микросхема К561ИЕ8 (зарубежный аналог CD4017) является десятичным счетчиком с дешифратором. В своей структуре микросхема имеет счетчик Джонсона (пятикаскадный) и дешифратор, позволяющий переводить код в двоичной системе в электрический сигнал появляющийся на одном из десяти выходов счетчика. Счетчик К561ИЕ8 выпускается в 16 контактном корпусе DIP. Технические параметры счетчика К561ИЕ8: — Напряжение питания: 3…15 вольт — Выходной ток (0): 0,6 мА — Выходной ток (1): 0,25 мА — Выходное напряжение (0): 0,01 вольт — Выходное напряжение (1): напряжение питания — Ток потребления: 20 мкА — Рабочая температура: -45…+85 °C
Назначения выводов К561ИЕ8 : — Вывод 15 (Сброс) — счетчик сбрасывается в нулевое состояние при поступлении на данный вывод сигнала лог.1. Предположим, вы хотите, чтобы счетчик считал только до третьего разряда (вывод 4), для этого вы должны соединить вывод 4 с выводом 15 (Сброс). Таким образом, при достижении счета до третьего разряда, счетчик К561ИЕ8 автоматически начнет отсчет с начала. — Вывод 14 (Счет) – вывод предназначен для подачи счетного тактового сигнала. Переключение выходов происходит по положительному фронту сигнала на выводе 14. Максимальная частота составляет 2 МГц. — Вывод 13 (Стоп) – данный вывод, в соответствии от уровня сигнала на нем, позволяет останавливать или запускать работу счетчика. Если необходимо остановить работу счетчика, то для этого необходимо на данный вывод подать лог.1. При этом даже если на вывод 14 (Счет) по-прежнему будет поступать тактовый сигнал, то на выходе счетчика переключений не будет. Для разрешения счета вывод 13 необходимо соединить с минусовым проводом питания. — Вывод 12 (Перенос) – данный вывод (вывод переноса) используются при создании многокаскадного счетчика из нескольких К561ИЕ8. При этом вывод 12 первого счетчика соединяют с тактовым входом 14 второго счетчика. Положительный фронт на выходе переноса (12) появляется через каждые 10 тактовых периодов на входе (14). — Выводы 1-7 и 9-11 (Q0…Q9) — выходы счетчика. В исходном состоянии на всех выходах находится лог.0, кроме выхода Q0 (на нем лог.1). На каждом выходе счетчика высокий уровень появляется только на период тактового сигнала с соответствующим номером. — Вывод 16 (Питание) – соединяется с плюсом источника питания. — Вывод 8 (Земля) – данный вывод соединяется с минусом источника питания. Временная диаграмма работы счетчика К561ИЕ8
Оставлять комментарии могут только зарегистрированные пользователи
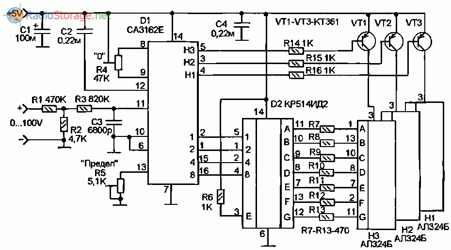
Принципиальная схема вольтметра
Теперь ближе к схеме. На рисунке 1 показана схема вольтметра, измеряющего напряжение от 0 до 100V (0…99,9V). Измеряемое напряжение поступает на выводы 11-10 (вход) микросхемы D1 через делитель на резисторах R1-R3.
Конденсатор C3 исключает влияние помех на результат измерения. Резистором R4 устанавливают показания прибора на ноль, при отсутствии входного напряжения А резистором R5 выставляют предел измерения так чтобы результат измерения соответствовал реальному, то есть, можно сказать, им калибруют прибор.

Рис. 1. Принципиальная схема цифрового вольтметра до 100В на микросхемах СА3162, КР514ИД2.
Теперь о выходах микросхемы. Логическая часть СА3162Е построена по логике ТТЛ, а выходы еще и с открытыми коллекторами. На выходах «1-2-4-8» формируется двоичнодесятичный код, который периодически сменяется, обеспечивая последовательную передачу данных о трех разрядах результата измерения.
Если используется дешифратор ТТЛ, как, например, КР514ИД2, то его входы непосредственно подключаются к данным входам D1. Если же будет применен дешифратор логики КМОП или МОП, то его входы будет необходимо подтянуть к плюсу при помощи резисторов. Это нужно будет сделать, например, если вместо КР514ИД2 будет использован дешифратор К176ИД2 или CD4056.
Выходы дешифратора D2 через токоограничивающие резисторы R7-R13 подключены к сегментным выводам светодиодных индикаторов Н1-НЗ. Одноименные сегментные выводы всех трех индикаторов соединены вместе. Для опроса индикаторов используются транзисторные ключи VT1-VT3, на базы которых подаются команды с выходов Н1-НЗ микросхемы D1.
Эти выводы тоже сделаны по схеме с открытым коллектором. Активный ноль, поэтому используются транзисторы структуры р-п-р.
Схема приемного блока
Приемник устанавливается внутрь телевизора, на него подается питание + 12V от источника питания телевизора, а катоды диодов VD2-VD9 соединяются с контактами кнопок модуля выбора программ УСУ-1-10.
Рис.2. Принципиальная схема ИК-приемника для дистанционного управления телевизором.
ИК-импульсы, излучаемые пультом, принимаются интегральным фотоприемником HF1 типа TSOP4838. Данный фотоприемник широко применяется в системах дистанционного управления различной бытовой электронной аппаратурой. При приеме сигнала на его выводе 1 присутствует логический ноль, а при отсутствии принимаемого сигнала единица.
Таким образом, когда кнопка пульта нажата на его выходе ноль, а когда не нажата — единица.
TSOP4838 должен питаться напряжением 4,5-5,5V, и не более. Но, для управления модулем выбора программ телевизора нужно на кнопки транзисторного 8-фазного триггера подавать напряжение 12V. Поэтому, на микросхему D1 подается напряжение 12V, а на фотоприемник HF1 напряжение 4,7-5V через параметрический стабилизатор на стабилитроне VD10 и резисторе R4.
Согласующим уровни логических единиц каскадом служит транзистор VТ1. При этом он инвертирует логические уровни. Напряжение с коллектора VТ1 через цепь R3-C2 поступает на счетный вход счетчика D1, рассчитанный на прием положительных импульсов. Цепь R3-C2 служит для подавления ошибок от дребезга контактов кнопки S1 пульта управления.
Счетчик D1 К561ИЕ9 представляет собой трехразрядный двоичный счетчик, со схемой десятичного дешифратора на выходе. Он может находиться в одном из восьми состояний от 0 до 7, при этом логическая единица имеется только на одном, соответствующем его состоянию, выходе. На остальных выходах — нули.
При каждом нажатии — отпускании кнопки пульта счетчик переходит на одно состояние вверх, при этом переключается логическая единица по его выходам. Если отсчет начался с нуля, то через восемь нажатий кнопки, на девятое, счетчик вернется в нулевое положение. И далее, процесс переключения логической единицы по его выходам повторится.
ИК-светодиод LD271 можно заменить любым ИК-светодиодом, применимым для пультов дистанционного управления бытовой аппаратурой. Фотоприемник TSOP4838 можно заменить любым полным или функциональным аналогом.
К561ИД1 К176ИД1(CD4028A, CD4028)
![]() |
|
![]() |
![]() |
Микросхемы К561ИД1 и К176ИД1 (CD4028A, CD4028) — универсальный дешифратор. Дешифраторы К561ИД1, К176ИД1 (CD4028A, CD4028) применяется для преобразования входного четырехразрядного двоично-десятичного кода в десятичный или четырехразрядного двоичного в октальный. Дешифраторы К561ИД1, К176ИД1 (CD4028A, CD4028) имеют десять выходов (при октальном, восьмеричном коде используются восемь выходов), а также четыре входа А — D (для получения остального кода необходимы только три входа А — С). Вход D, если на нём напряжение высокого уровня, используется как запрещающий при остальном преобразовании. Если вход D не используется, то на него следует подать ноль напряжения. Все состояния дешифраторов К561ИД1, К176ИД1 (CD4028A, CD4028) перечислены в таблице, где А — вход младшего разряда.
Время задержки распространения от входов до выходов не превышает 290 нс, время установления — менее 150 нс.
На рисунке показана схема преобразователя четырехразрядного кода в десятичный или шестнадцатиричный, т. е. гексадецимальный. Для этой схемы дана таблица кодов. В таблице в первых четырех колонках D—А последовательно перечислено 16 возрастающих состояний двоичного кода от 0000 до 1111. Последующие две колонки отведены гексадецимальным кодам: двоичному и коду Грея, колонки 7…10 содержат четырехразрядные десятичные коды: код «без трех», код Грея «без трех», код Айкена, код формата 4-2—2—1, В колонке номеров выходов указаны выходные высокие уровни. Выбрав номер выхода N (от О до 15), по строке, где зафиксировано, что на этом выходе появилось напряжение высокого уровня, можем определить, какая цифра соответствует в данной ситуации каждому из шести вышеперечисленных кодов. В кодах «без трех» не используются три комбинации, где мало младших единиц В (или наоборот, мало младших нулей Н).
Зарубежным аналогом микросхемы К561ИД1 является микросхема CD4028A, а зарубежным аналогом микросхемы К176ИД1 является микросхема CD4028.
Напряжение питания
3-15 В
Ток потребления при максимальном напряжении питания
1 мА
Время задержки распространения
290 нс
Выходной ток низкого уровня
0,45 мА
Температура окружающей среды
-45…+85оС
Корпус микросхемы
238.16-1
Вход
Коды
Номер выхода
D
C
B
A
Код двоичный 4 бита
Код Грея 4 бита
Код «без трёх»
Код Грея «без трёх»
Код Айкена
Код 4-2-2-1
1
2
3
4
5
6
7
8
9
10
11
12
13
14
15
Н
Н
Н
Н
В
Н
Н
Н
В
1
1
1
1
В
Н
Н
В
Н
2
3
2
2
В
Н
Н
В
В
3
2
3
3
В
Н
В
Н
Н
4
7
1
4
4
В
Н
В
Н
В
5
6
2
3
В
Н
В
В
Н
6
4
3
1
4
В
Н
В
В
В
7
5
4
2
В
В
Н
Н
Н
8
15
5
В
В
Н
Н
В
9
14
6
5
В
В
Н
В
Н
10
12
7
9
6
В
В
Н
В
В
11
13
8
5
В
В
В
Н
Н
12
8
9
5
6
В
В
В
Н
В
13
9
6
7
7
В
В
В
В
Н
14
11
8
8
8
В
В
В
В
В
15
10
7
9
9
В
Принципиальная схема амперметра
Схема амперметра показана на рисунке 2. Схема практически такая же, за исключением входа. Здесь вместо делителя стоит шунт на пятиваттном резисторе R2 сопротивлением 0,1 От. При таком шунте прибор измеряет ток до 10А (0…9.99А). Установка на ноль и калибровка, как и в первой схеме, осуществляется резисторами R4 и R5.

Рис. 2. Принципиальная схема цифрового амперметра до 10А и более на микросхемах СА3162, КР514ИД2.
Выбрав другие делители и шунты можно задать другие пределы измерения, например, 0…9.99V, 0…999mA, 0…999V, 0…99.9А, это зависит от выходных параметров того лабораторного блока питания, в который будут установлены эти индикаторы. Так же, на основе данных схем можно сделать и самостоятельный измерительный прибор для измерения напряжения и тока (настольный мультиметр).
При этом нужно учесть, что даже используя жидкокристаллические индикаторы прибор будет потреблять существенный ток, так как логическая часть СА3162Е построена по ТТЛ-логике. Поэтому, хороший прибор с автономным питанием вряд ли получится. А вот автомобильный вольтметр (рис.4) выйдет неплохой.
Питаются приборы постоянным стабилизированным напряжением 5V. В источнике питания, в который будут они установлены, необходимо предусмотреть наличие такого напряжения при токе не ниже 150mA.
Детали и монтаж
Микросхему К561ИЕ9 можно заменить на К176ИЕ9 или зарубежным аналогом. Можно использовать микросхему К561ИЕ8 (К176ИЕ8), при этом будет 10 выходов управления. Чтобы ограничить их до 8-и нужно выход за номером «8» соединить со входом «R» (при этом вход «R» не соединять с общим минусом, как это на схеме).
Диоды 1N4148 можно заменить любыми аналогами, например, КД521, КД522. Пульт питается от «Кроны». Помещен в футляр от зубной щетки. Монтаж -объемный на выводах микросхемы А1.
Схема приемника тоже собрана объемным монтажом и приклеена клеем «БФ-4» к деревянному корпусу телевизора изнутри. Для глазка фотоприемника я использовал отверстие для разъема для подключения головных телефонов (отверстие в телевизоре было пустое, закрытое заглушкой, самого разъема не было).
Подбором R1 (рис.1) нужно пульт настроить на частоту фотоприемника. Это видно по наибольшей дальности приема.
Если схема заинтересовала, но старой «Радуги» нет, её можно использовать и для переключения чего-либо более современного. К выходам микросхемы D1 можно через резисторы подключить транзисторные ключи, с электромагнитными реле на коллекторах или светодиодами мощных оптопар.
Котов В.Н. РК-2016-04.
Модули вольтметры цифровые
Большим преимуществом блоков является относительно низкая цена и отсутствие напряжения питания, они питаются от напряжения которое одновременно измеряют. Производитель дает диапазон напряжения 2,6 — 30 В. Для начала протестируем их при разных значениях напряжения. Питание от преобразователя и литий-ионных аккумуляторов. Сравнивать будем показания с измерителем UNI-T UT210E, а также с ANENG. Модули имеют на плате небольшой потенциометр для коррекции показаний.

Бывает что настройка модуля при низком напряжении требует и коррекции на верхних рабочих диапазонах этого модуля. Для повышения точности тем потенциометром можете откалибровать показания по эталонному прибору и после процедуры рекомендуем капнуть лак для ногтей, чтобы обездвижить его. После калибровки они станут достаточно точные.
Точность этих индикаторов будет приемлемой во многих устройствах, особенно учитывая низкую цену этих модулей (можно купить за менее 100 рублей). Индикаторы автоматически переключают диапазон — после превышения значения 9,99 В отображаются только десятичные части, то есть одна цифра после запятой.

Микросхема СА3162Е
Но существуют и другие микросхемы аналогичного действия. Например, есть микросхема СА3162Е, которая предназначена для создания измерителя аналоговой величины с отображением результата на трехразрядном цифровом индикаторе.
Микросхема СА3162Е представляет собой АЦП с максимальным входным напряжением 999 mV (при этом показания «999») и логической схемой, которая выдает сведения о результате измерения в виде трех поочередно меняющихся двоично-десятичных четырехразрядных кодов на параллельном выходе и трех выходах для опроса разрядов схемы динамической индикации.
Чтобы получить законченный прибор нужно добавить дешифратор для работы на семисегментный индикатор и сборку из трех семисегментных индикаторов, включенных в матрицу для динамической индикации, а так же, трех управляющих ключей.
Тип индикаторов может быть любым, -светодиодные, люминесцентные, газоразрядные, жидкокристаллические, все зависит от схемы выходного узла на дешифраторе и ключах. Здесь используется светодиодная индикация на табло из трех семисегментных индикаторов с общими анодами.
Индикаторые включены по схеме динамической матрицы, то есть, все их сегментные (катодные) выводы включены параллельно. А для опроса, то есть, последовательного переключения, используются общие анодные выводы.
Отличие от вольтметра, амперметра
Разница между двумя этими тестерами не всегда конструктивная. Принцип их работы основан на измерении величин тока и напряжения определённого участка электрической цепи.

Амперметр и вольтметр щитового исполнения
Выбор кабеля для подключения электроплиты
Амперметры и вольтметры имеют разную схему подключения при подготовке их к работе. Первый присоединяется последовательно, в искусственный разрыв. Это значит, что ток будет проходить непосредственно от одного щупа прибора к другому через его внутреннюю начинку. Отличие в подключении второго прибора в том, что его присоединяют при работе параллельно испытуемой цепи или вместо нагрузки.
Внимание! Номинальный ток и напряжение этих приборов должны быть больше измеряемых величин. Если на панели имеются переключатели диапазонов измерений, то необходимо выбрать нужный диапазон
Иначе приспособления выйдут из строя.
Детали
Микросхему CD4060B можно заменить другим аналогом типа хх4060 (например, NJM4060) или заменить схемой из счетчика К561ИЕ16 и отдельного мультивибратора на любой КМОП микросхеме с числом инверторов не менее двух.
Можно даже использовать микросхему К176ИЕ12 в типовой схеме включения, снимая импульсы частотой 2 Гц с её вывода 6. Но. при этом нужно будет соединенные вместе выводы 6 и 8 D3 отключить от вывода 10 D2, и подключить к выводу 4 D2. А продолжительность индикации станет в два раза больше.
Микросхему CD4017B можно заменить другим аналогом типа хх4017, либо отечественной микросхемой К561ИЕ8 или К176ИЕ8. Микросхема CD4001В — прямой аналог нашей К561ЛЕ5, или К176ЛЕ5.
Следует знать, что у микросхемы HCF4026BEY есть довольно много аналогов, но, к сожалению, не полных. HCF4026BEY относится к высокоскоростной логике КМОП, поэтому данный частотомер может измерять частоту до 10 МГц.
Если же вам посчастливится приобрести микросхему CD4026, которая по выводам и схеме включения полностью аналогична HCF4026BEY, — знайте, что прибор не сможет измерять частоты более 2 МГц, так как CD4026, согласно паспортным данным, на частотах более 2 МГц работать не может.
Семисегментные светодиодные индикаторы можно использовать любые, важно только чтобы они были с общим катодом. Если же вы располагаете индикаторами исключительно с общим анодом, — нужно будет сделать промежуточные транзисторные ключи — инверторы, что существенно усложнит схему (во всяком случае по числу корпусов полупроводников)
Резисторы R6-R54 можно и не устанавливать, — на выходах микросхем HCF4026BEY имеются какие-то токоограничительные схемы, но яркость свечения сегментов индикатора получается неравномерной. Так что с резисторами и индикация лучше и меньше нагрев корпусов HCF4026BEY.
Схема входного узла частотомера — примитивная, и лучше её заменить каким-то более совершенным узлом, обеспечивающим большую чувствительность.
В литературе есть множество описаний различных частотомеров, и подходящий узел найти можно. При этом совсем не обязательно чтобы в схеме узла был триггер Шмитта, — он есть в микросхеме HCF4026BEY, и здесь достаточно ограничиться только усилителем-ограничителем, фомирующим импульсы произвольной формы.
Питаться частотомер может от лабораторного источника напряжением 12V.
Думаю, микросхемам HCF4026BEY, или другим хх4026, можно найти применение практически во всех схемах, где должны работать уже давно снятые с производства К176ИЕ4, то есть везде, где нужен десятичный счетчик с выходом на цифровой семисегментный индикатор.
Иванов А. РК-06-08.








