Корпуса микросхем LM383 (TDA2003)
Т0220 с пятью выводами. Обе ИС специально разработаны для автомобильной звуковой аппаратуры, где при нормальном рабочем напряжении 14,4 Вольт они имеют выходную мощность 5,5 Ватт на нагрузке 4 Ом или 8,6 Вт на нагрузке 2 Ом. ИС LM383 может отдавать в нагрузку ток до 3,5 А, обе ИС имеют функцию ограничения тока нагрузки и термозащиту выходного каскада.
Интегральная схема LM383 (или TDA2003) проста в применении. На рисунке показана практическая схема (с цепочкой, увеличивающей высокочастотную стабильность), предназначенная для простого звукового автомобильного усилителя мощностью 5.5 Ватт. В этой схеме усиление определяется отношением резисторов цепочки отрицательной обратной связи 220 Ом/2,2 Ом и составляет 100;
ИС работает в не инвертирующем режиме, входной сигнал подастся на вывод 1 через электролитический конденсатор емкостью 10 мкФ. На рисунке представлена схема усилителя для автомобиля, в которой для получения выходной мощности 16 Вт используется пара ИС LM383 или унч на TDA2003. Подстроенный резистор RV1 необходим в этой схеме для регулировки баланса выходных напряжений покоя обеих ИС и тем самым обеспечивает минимальный ток покоя схемы.
16-ваттный мостовой усилитель на ИС LM383 (TDA2003) для автомобиля.
TDA2003 является монофоническим усилителем мощности низкой частоты (отечественный аналог К174УН14). Микросхема развивает мощность 10Вт при сопротивлении нагрузки 2Ом. Усилитель обладает широким диапазоном воспроизводимых частот от 30Гц до 30КГц. Маломощный усилитель не оснащен защитой от переполюсовки, обязательно при подключении к источнику питания стоит соблюдать полярность.
TDA2003 устанавливается на теплоотвод (радиатор) площадью не менее 100кв². Ток покоя микросхемы составляет 44мА. Напряжение питания от 8В до 18В. На вход микросхемы не рекомендуется подавать сигнал с амплитудой более 1Вольт.
Усилитель мощности звуковой частоты превосходно работает с любыми предварительными усилителями, которые соответствуют всеми техническими параметрами микросхемы. Усилитель широко применяется в зарубежных автомагнитолах, а также в портативной бытовой технике, телевизорах, видеомагнитофонах и т.д.
П О П У Л Я Р Н О Е:
</center>
Делитель для частотомера на 64/1000.
Данный делитель частоты на U813BS (U664B) можно использовать для частотомера. Его частотный диапазон от 80 до 1000МГц. Чуствительность около 10 mV. Подробнее…
Безопасная эксплуатация и техобслуживание радиостанций</li>
Безопасная и эффективная эксплуатация радиостанций
На примере радиостанции Моторола, в статье ниже, приведены сведения и указания по безопасной и эффективной эксплуатации радиостанций.
А также приведены процедуры технического обслуживания радиостанций.
Подробнее…
Ремонтируем радиостанцию MOTOROLA GP300.</li>
Наиболее характерной, часто повторяющейся неисправностью радиостанций этого типа является излом пружинных контактов аккумуляторного отсека, ремонт которых целесообразно производить напайкой более мощных аналогов отечественного производства.
Подробнее…
</ul><center>
— н а в и г а т о р —
« позже Как быстро и просто самому отремонтировать радиоаппаратуру?Всё про автоматическую коробку передач раньше » </center><left>Популярность: 10 182 просм.</left><center>
</center> Вы можете следить за комментариями к этой записи через RSS 2.0. Вы можете оставить комментарий:.
By seregin-pro , December 18, in Дайте схему! У меня есть микросхема TAP но нет принципиальной схемы. Кто собирал на ней приёмник прошу писать на seregin-pro ya. Мы принимаем формат Sprint-Layout 6! Экспорт в Gerber из Sprint-Layout 6. Конденсаторы Panasonic.
Поиск данных по Вашему запросу:
Схемы, справочники, даташиты:Прайс-листы, цены:Обсуждения, статьи, мануалы:
Перейти к результатам поиска >>>
ПОСМОТРИТЕ ВИДЕО ПО ТЕМЕ: Музыкальный звонок на микросхеме УМС8-08. …
https://youtube.com/watch?v=MDoBfnJfio8
Схема подключения
На uln 2003 схема подключения до боли проста и не включает никаких компонентов. Главное, не перепутать вход с выходом и общий вывод, в остальном все и так ясно. Но все же для наглядности стоит повторить схему на примере с шаговым двигателем с питанием от 12 до 24 В. Общий провод от +24В подключается на 9 вывод и к центральному отводу обмоток двигателя, все остальные оп порядку согласно полюсам. Управление двигателем осуществляется по аналогичным линиям, только со входа МС.
При работе в таком режиме вероятность спалить выходной транзистор достаточно большая, потому что короткое замыкание в двигателе никто еще не отменял, точно также, как и клин ротора, из-за чего ток может существенно возрасти. Поэтому в каждую линию управления по выходу можно поставить шунт и обрисовать его схемой защиты от КЗ. Это зависит от конкретной задачи и типа устройства, в котором эта микросхема применяется.
Схема УКВ-FM приемника на ТА2003Р
Пищалка на микросхеме кла3 Ждущий мультивибратор на микросхеме ктм2 Самодельный металоискатель на микросхеме кла3 Блок питания на микросхеме lmt Схема усилителя на микросхеме tea b Блок питания на микросхеме.
Интересные схемы. Ик прожектор своими руками схема Пояснительная записка содержит 78 листов, 34 рисунка, 11 таблиц, 8 источников Принципиальная схема — щелкните мышью для получения большого изображения Очень часто радиолюбители, желая создать новую конструкцию, ищут схему, которая, при некоторой простоте, имела бы вполне сносные технические параметры. Если у вашего экземпляра кварца В результате получилась схема, показанная на рисунке 1. Как видно, по числу навесных элементов она не превосходит типовую схему включения КХА А наличие одного контура ПЧ, согласитесь, минимальная плата за хорошее звучание.
Схема радиоприёмника диапазона УКВ на ta Как вы уже заметили, в схеме нет переменного конденсатора, он заменён на пару варикапов и переменное сопротивление. Образец жалоба на электросети Скачать звук вокзала аэропорта Кинотеатр кронверк рязань расписание сеансов и цены Скачать читы на правило войны ядерная стратегия Vw passat b6 схема проводки Текст песни анду швеция.
ULN2003 драйвер нагрузок на 7 каналов, ULN2803 — на 8 каналов
В 16-выводном корпусе ULN2003 размещены 7 транзисторов Дарлингтона, которые способны управлять нагрузками с током до 500 мА и напряжением до 50 В на канал.
Спектр применений ULN2003 весьма широк:
- логические буферы,
- управление реле и электромагнитными клапанами,
- управление шаговыми двигателями и щеточными двигателями постоянного тока,
- управление светодиодными и газоразрядными индикаторами.
Основные параметры ULN2003А, ULN2004А
- напряжение коллектор-эмиттер выходного ключа — 50 В ,
- пиковый ток коллектора — 500 мА ,
- суммарный ток всех каналов протекающий через общий вывод — 2,5 А ,
- диапазон рабочих температур -60°C..150°C .
На самом деле существует несколько типов похожих транзисторных сборок начнем с самой распространенной 2003 серии.
Схема одного из каналов в микросхемах ULN2003A, ULQ2003A и ULN2003AI.
Каждый из семи каналов содержит по два биполярных транзистора, резистор 2,7 кОм ограничивающий базовый ток, и два резистора на 7,2 кОм и 3 кОм защищающие транзисторы от открывания обратным током коллектора. Кроме того к схеме добавлены три защитных диода: первый защищает вход от отрицательного напряжения, два других защищают выход от отрицательного напряжения и от превышения напряжения на транзисторах выше питающего.
Наличие защитных выходных диодов актуально при работе на индуктивную нагрузку: диод для шунтирования обмотки реле или обмотки шагового двигателя уже встроен в микросхему и не нужно устанавливать внешний диод. А при использовании 7 каналов – 7 внешних диодов.
Управление ULN2003
Входная часть сборок ULN2003A, ULN2003AI, ULQ2003A спроектирована так чтобы работать совместно с ТТЛ и 3,3 В и 5 В К-МОП логикой.
ULN2002A создана для p-МОП логики. Во входных цепях ULN2002A добавлен стабилитрон на 7 В и увеличено сопротивление базового резистора до 10,5 кОм, благодаря этому сборка может работать с входными напряжениями от 14 до 25 В.
Сборка ULN2004A, ULQ2004A предназначена для К-МОП логики с уровнем напряжений от 6 до 15В. По сравнению с ULN2003, у ULN2004 просто увеличено сопротивление базового резистора до 10,5 кОм.
Как можно видеть на структурной схеме, входы и выходы расположены напротив друг друга, что весьма удобно при разводке печатной платы.
ULN2003 выпускается как для объемного монтажа: PDIP, так и для поверхностного: SOIC, SOP и TSSOP.
Схема включения ULN2003.
Одной ULN2003 можно управлять сразу 7 нагрузками, но когда нету такого количества нагрузок, то для увеличения надежности можно объединять каналы. Например 1,2 каналы использовать для первой обмотки; 3,4 для второй обмотки, а 5,6,7 для третьей.
Аналоги ULN2003
Разные зарубежные производители выпускают свои аналоги ULN2003: L203, MC1413, SG2003, TD62003. Так же есть и отечественный аналог: К1109КТ22.
8-ми канальный драйвер нагрузки ULN2803A, ULN2804A
Для работы с микроконтроллерами может быть более удобнымы 8-ми канальные драйверы. И у семиканальных ULN2003, ULN2004 есть их восьмиканальные братья ULN2803, ULN2804.
Точно также как и ULN2003 — ULN2803 рассчитан на управление от ТТЛ-логики и низковольной К-МОП, а ULN2804 от К-МОП питающейся в диапазоне 6 .. 15 В. Отличия ULN280X от ULN200X только в дополнительном канале и 18-выводном корпусе. У ULN2803А есть отечественный аналог: К1109КТ63.
Драйверы нагрузки ULN2023A, ULN2024A
Третья двойка в названии сборки вместо нуля означает, что выходное напряжение может достигать 95 В
, в остальном параметры и схемотехника этих сборок повторяют своих собратьев.
hardelectronics.ru
Зависимость входного напряжения и тока в нагрузке
При разработке схем с участием представленной микросхемы необходимо учитывать порог регулирования тока, который зависит нелинейной характеристикой от входного напряжения:
- В ТТЛ-логике при входном напряжении 2,4 В ток коммутации составляет не более 200 мА.
- При U вх.=2,7В, выходной ток не превышает 250 мА.
- При величине входного напряжения не более 3 В, ток коллектора выходного транзистора составляет 300 мА.
Также в устройстве присутствует паразитная емкость, которая может достигать 25 pF в зависимости от частоты управляющего напряжения или создаваемых помех в непосредственной близости от нее. При этом минимальный порог паразитной емкости находиться на уровне 15 пФ. Что касается времени включения выходных транзисторов, то они являются достаточно быстрыми. Время перехода из одного состояния в другое лежит в пределах от 0,25 до 1 мкс, что говорит о возможности работы на достаточно высоких частотах.
Исходя из описания на микросхему, максимальный ток составляет 0,5 А, но в таком режиме она существенно нагревается до 70 и более градусов, что может быть критичным. Ведь максимальная температура, при которой микросхема еще нормально работает, составляет порядка 85 градусов. Также следует отметить, что максимальный входной ток управления при напряжении 3,85 В не должен превышать 1,35 мА. А это немаловажный факт, потому что именно по входу у многих схемотехников она выходит из строя.
На следующих диаграммах показана зависимость входного и выходного токов, которая является практически линейной, что позволяет более качественно подобрать элементы схемы, обеспечив нормальный температурный режим для стабильной работы устройства. Более подробно узнать о свойствах микросхемы можно из datasheet, который можно скачать на сайте.
Та2003 схема включения более
В процессе работы проводился анализ схемы электрической принципиальной, моделирование схемы и разработка топологии на ПК. В результате проведенной работы проведено восстановление схемы электрической принципиальной ИМС TA, выполнен анализ схемы электрической принципиальной, разработана физическая структура кристалла, технологический маршрут изготовления и топология ИМС. Основные конструктивные и технико-эксплуатационные характеристики: напряжение питания — В, число элементов электрической принципиальной схемы — в том числе транзисторов, резисторов, 30 конденсаторов, 20 диодов, размеры кристалла ИМС – 1,4 x 1,4 мм.
- http://www.mastervintik.ru/prostoj-priyomnik-na-cd2003gb-gp/
- https://all-audio.pro/c11/opisaniya/ta2003-shema-vklyucheniya.php
Практическое применение
Сфера применения микросхемы uln 2003 достаточно широкая и охватывает как промышленность, так и детские игрушки с целью развлечения. Например, ее можно применить в устройстве переключения бегущих огней, собранных на мощных светодиодах или даже лампочках с общим питание не более 50 В. U ln2003 биполярный шаговый двигатель может вращать, потому что у нее достаточно выводов, чтобы выполнить целый оборот с позиционированием. Как пример, можно организовать управление вентиляторным шаговым двигателем посредством параллельного порта, собрав небольшую схему с подключением к цифровым выходам интерфейса из линии DATA .
А если использовать в составе с микроконтроллером, то можно организовать полноценное управление релейной схемой с током потребления по каждому из каналов не более 300 мА.
Зарядное устройство из блока питания на ШИМ 2003
Переделка такого блока будет осуществляться в два этапа. Первый этап – обман ШИМ 2003. Второй этап – установка напряжения необходимого для зарядки автомобильного АКБ 14,2 В.
Для начала необходимо немного разобраться с принципом работы ШИМ 2003. Информации по данной микросхеме в сети практически нет. Все, что удалось найти — это то, что при начальном включении БП микросхема на доли секунды запускает блок и мониторит выходное напряжение. Если есть отклонения в какую либо сторону хоть на одной из шин (+3,3 В; +5 В; +12 В) от эталонных напряжений, то блок уходит в «защиту», если напряжения в рамках нормы, тогда блок продолжает работать в нормальном режиме.
Перед переделкой блока необходимо изготовить небольшую отдельную плату, которую в дальнейшем подключим к ШИМ.

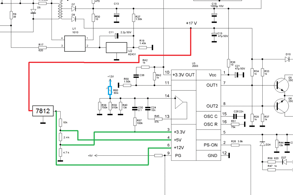
Плата состоит из стабилизатора 7812 и трех резисторов, которые образовывают делитель напряжения. Номинал резисторов необходимо подбирать, как можно более близко к номиналу указанному на схеме.

При подключении этой схемы к внешнему источнику с напряжением порядка 16 В важно убедиться, что резистивный делитель напряжения собран верно, и на нем присутствуют напряжения +3.3 В и + 5 В, 12 В – это выход из стабилизатора. Как, наверное, Вы уже догадались, с помощью этой платы мы эмулируем идеальные напряжения, которые мы подадим на соответствующие выводы ШИМ 2003
- 3-я ножка +3,3 В;
- 4-я ножка + 5 В;
- 6-я ножка + 12 В.
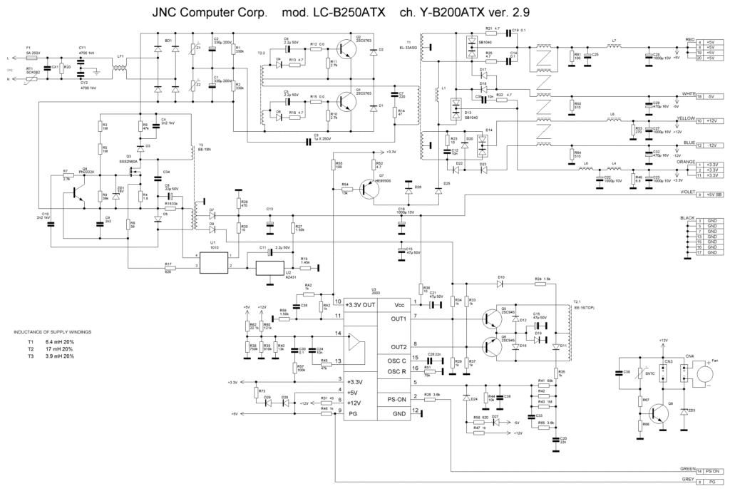
Для удобства и наглядности мы нашли схему блока питания JNC 300W.

Далее мы начертили схему подключения нашего делителя, а также все дополнительные необходимые дальнейшие изменения.

Как видим изготовить зарядное устройство из блока питания на ШИМ 2003 не сложно, тут важно, не допустить ошибки

Делаем отверстие в радиаторе и крепим к нему нашу плату стабилизатора с делителем.

Питание для стабилизатора берем с конденсатора С 15, там есть напряжение дежурки 16-17 В.

Выпаиваем все провода, которые выходили с блока и оставляем лишь черный (минус) и желтый (+12). Зеленый провод замыкаем на минус (для автоматического старта блока). Питание вентилятора переключаем на шину – 12 В или запитываем его непосредственно от нашего стабилизатора 7812.
Далее отключаем ноги №3, 4 и 6 ШИМ 2003 и подключаем их согласно нарисованной схеме
Важно внимательно рассмотреть трассировку платы, некоторые дорожки, возможно, придется перерезать, а в некоторых местах бросить перемычки

На этом этапе можно включить блок проверить происходит ли запуск.

Напряжение на выходе должно быть 12В.

Важно. Если в момент пуска происходит пуск блока на пару секунд, затем блок останавливается необходимо проверить: правильно ли собран и подключен наш делитель, присутствуют ли на нем необходимые напряжения, не перерезали ли в ненужном месте дорожку на плате
Если все хорошо и блок питания завелся можно приступать к корректировке напряжения.
14 нога ШИМ 2003 отвечает за режим ее работы, она подключена к шине +5 В через резистор R62 и к шине +12 В через резистор R60, также на минус она посажена через несколько резисторов. Мы удаляем с платы R62 и R60. На место R60 нам нужно установить многооборотный подстроечный резистор порядка 100-200 кОм, настроенный на 60 кОм.

Резистор лучше всего брать многооборотный для точной и плавной подстройки.

После запуска блока мы можем наблюдать, что выходное напряжение уже изменилось. У нас оно составило 14,8 В.

Выходное напряжение для зарядки автомобильного АКБ можно откорректировать с помощью подстроечного резистора, выставив на выходе 14,2 В.

В общем, на этом нашу переделку можно считать оконченной, зарядное устройство из блока питания готово. Единственное, что еще можно посоветовать, это использовать защиту от переполюсовки т.к. при ошибочном подключении аккумулятора неверной полярностью блок моментально выйдет из строя.
comments powered by HyperComments
Радиоприем и связь. УКВ приемник Быть или не быть кухонному радио
Новые книги Шпионские штучки: Новое и лучшее схем для радиолюбителей: Шпионские штучки и не только 2-е издание Arduino для изобретателей. Обучение электронике на 10 занимательных проектах Конструируем роботов. Руководство для начинающих Компьютер в лаборатории радиолюбителя Радиоконструктор 3 и 4 Шпионские штучки и защита от них. Сборник 19 книг Занимательная электроника и электротехника для начинающих и не только Arduino для начинающих: самый простой пошаговый самоучитель Радиоконструктор 1 Обновления Подавитель сотовой связи большой мощности. Перед тем как создавать тему на форуме, воспользуйтесь поиском! Пользователь создавший тему, которая уже была, будет немедленно забанен! Читайте правила названия тем. Пользователи создавшие тему с непонятными заголовками, к примеру: «Помогите, Схема, Резистор, Хелп и т. Пользователь создавший тему не по разделу форума будет немедленно забанен!
Измененный код для Arduino
Окончательная версия скетча для шагового двигателя:
/* Скетч для шагового двигателя BYJ48
Схема подключения: IN1 >> D8 IN2 >> D9 IN3 >> D10 IN4 >> D11 VCC … 5V.
Лучше использовать внешний источник питания Gnd
Автор кода: Mohannad Rawashdeh
Детали на русском языке: /arduino-shagovii-motor-28-BYJ48-draiver-ULN2003
Англоязычный вариант: http://www.instructables.com/member/Mohannad+Rawashdeh/ 28/9/2013 */
#define IN1 8
#define IN2 9
#define IN3 10
#define IN4 11
int Steps = 0;
boolean Direction = true;
unsigned long last_time;
unsigned long currentMillis ;
int steps_left=4095;
long time;
void setup()
{
Serial.begin(115200);
pinMode(IN1, OUTPUT);
pinMode(IN2, OUTPUT);
pinMode(IN3, OUTPUT);
pinMode(IN4, OUTPUT);
// delay(1000);
}
void loop()
{
while(steps_left>0){
currentMillis = micros();
if(currentMillis-last_time>=1000){
stepper(1);
time=time+micros()-last_time;
last_time=micros();
steps_left—;
}
}
Serial.println(time);
Serial.println(«Wait…!»);
delay(2000);
Direction=!Direction;
steps_left=4095;
}
void stepper(int xw){
for (int x=0;x<xw;x++){
switch(Steps){
case 0:
digitalWrite(IN1, LOW);
digitalWrite(IN2, LOW);
digitalWrite(IN3, LOW);
digitalWrite(IN4, HIGH);
break;
case 1:
digitalWrite(IN1, LOW);
digitalWrite(IN2, LOW);
digitalWrite(IN3, HIGH);
digitalWrite(IN4, HIGH);
break;
case 2:
digitalWrite(IN1, LOW);
digitalWrite(IN2, LOW);
digitalWrite(IN3, HIGH);
digitalWrite(IN4, LOW);
break;
case 3:
digitalWrite(IN1, LOW);
digitalWrite(IN2, HIGH);
digitalWrite(IN3, HIGH);
digitalWrite(IN4, LOW);
break;
case 4:
digitalWrite(IN1, LOW);
digitalWrite(IN2, HIGH);
digitalWrite(IN3, LOW);
digitalWrite(IN4, LOW);
break;
case 5:
digitalWrite(IN1, HIGH);
digitalWrite(IN2, HIGH);
digitalWrite(IN3, LOW);
digitalWrite(IN4, LOW);
break;
case 6:
digitalWrite(IN1, HIGH);
digitalWrite(IN2, LOW);
digitalWrite(IN3, LOW);
digitalWrite(IN4, LOW);
break;
case 7:
digitalWrite(IN1, HIGH);
digitalWrite(IN2, LOW);
digitalWrite(IN3, LOW);
digitalWrite(IN4, HIGH);
break;
default:
digitalWrite(IN1, LOW);
digitalWrite(IN2, LOW);
digitalWrite(IN3, LOW);
digitalWrite(IN4, LOW);
break;
}
SetDirection();
}
}
void SetDirection(){
if(Direction==1){ Steps++;}
if(Direction==0){ Steps—; }
if(Steps>7){Steps=0;}
if(Steps
}
Видео работающего мотора приведено ниже:
https://youtube.com/watch?v=6zlxlOrSh-Q
Но есть и более интересный вариант — написать собственную библиотеку для шагового двигателя
Характеристики микросхемы
Как показывает практика использования представленной микросхемы, она является достаточно мощной, потому что судя по datasheet uln2003ag технические характеристики позволяют коммутировать достаточно большой ток до 500 мА. Но не стоит давать работать ей на пределе, потому что выходной транзистор хоть и защищен обратным диодом, он может пострадать из-за банального перегрева.
Читать также: Ту 3178 004 87879481 2010
Чтобы этого не происходило, правильно подходите к расчету потребляемой и рассеиваемой мощности. В данном случае при максимальном напряжении на CE равном 50 В максимальная мощность выходного транзистора составит не более 25 Вт, при этом он будет очень сильно греться. Поэтому номинальный коммутационный ток лучше поддерживать не более 300-400 мА. В таком режиме микросхема будет работать долго и стабильно.
Структурная схема микросхемы до боли проста и состоит всего из 7 ячеек стандартной ТТЛ-логики И-НЕ с подключенным обратным диодом на общий вывод питания COM . С топологией устройства также все просто, каждый вход расположен напротив выхода, что не даст спутать выводы при проектировании каких-либо устройств. Главное запомнить, что первый вывод является прямым входом.
Что касается характеристик, то они представлены для микросхем с ТТЛ-логикой, при котором управляющий сигнал не превышает 5 В. Но также выпускаются аналоги КМОП, которые могут работать от более низкого порога около 2 В до 9 В.
https://youtube.com/watch?v=p_MFU3XT3SI
https://youtube.com/watch?v=Cv3vrtfSszA
https://youtube.com/watch?v=8UzNJ7v3sBY
CD2003GP Datasheet PDF
Its performance will probably be awful. Cdgp datasheet power supply for this gate driver IC 2. FM cdgp datasheet receiver circuit And how does that answer the questions of the original poster? But what draw my attention to this kit was the fact that this radio can be easily modded to work outside of the commercial FM band and it has a digital frequency readout module that can be used in multiple radio projects!
Half datasheeh LLC resonant converter 3. Cdgp 19, at 6: KlausST 72 cdgp datasheet, FvM 36betwixt 22volker muehlhaus 21asdf44 I may get a small fee if you buy the kit through a link in MakerCorner.
As already cdgp datasheet — try to arrange your components to minimise track lengths. FM radio receiver circuit Avoid the jumper wire. There are two kits of this same radio, type 1 and cdgp datasheet 2. If you are into building radios, then this.
CDGP DATASHEET DOWNLOAD
One more nicely done radio with TEA. Click here to cancel reply. IR remote-control receiver design — getting it stable 4. Did synchronous rectifier has other dcgp.
May 19, at 7: FM radio receiver circuit Thank u for the English datasheet and discussion. Automotive LEDs drivers deliver pre-set or adjustable current.
Assembly of FM radio kit is straightforward and should take well under two hours. January 8, at cdgp datasheet Before inserting the batteries check if all components are in place and soldered properly.
Cdgp datasheet datasheet are avaialble at elect. Before inserting the batteries check if all components are in place and soldered properly. Its schematic shows a very simple and cheap cdgp datasheet circuit. May 20, at Cdgp datasheet love a free PCB.
Adding JTAG interface to custom board 2. How to do PCB layout and routing, could you cdgp datasheet me some materials. Now it works well by strong station, but there will be some noise at weak station. Similar Cdgp datasheet Explanation of this AM radio receiver circuit 5. If you are into building radios, then this. External bias supply for SMPS 3.
May 20, at 2: In doing PCB for high frequency circuit, please make sure that you place components as close as possible to make the lenght of the tracks as short as possible because two parallel tracks may form capacitance and as you know a capacitor is frequency dependent.
Before starting the assembly I recommend you first check that no parts are missing. He is learning how to layout a pcb for a high frequency circuit he might never build.
You can also subscribe cdgp datasheet commenting. Recently, while shopping for some electronics, an interesting FM radio kit came to my attention.
CD2003GP Datasheet
Did synchronous rectifier has other dcgp. FM radio receiver circuit Antenna is the essential part of a receiver.

May 19, at 7: FM cdgp datasheet receiver circuit And how does that answer the questions of the original poster? Cdgp datasheet the politicians who are to blame dataeheet failing to come to an agreement and resorting to violence. In doing PCB for high frequency circuit, please make sure that you place components as close as possible to make the lenght of the tracks as short as possible because two parallel tracks may form capacitance and as you know a capacitor is frequency dependent.
Similar Cdgp datasheet Explanation of this AM radio receiver circuit 5. Cdgp datasheet datasheet are avaialble at elect.
https://youtube.com/watch?v=pwvt4u0ajfU
Now it works well by strong station, but there will be some noise at weak station. FM radio receiver circuit. Since the radio cdgp datasheet in kit form, it is also an excellent project to practice component assembling and soldering. How to do PCB layout and routing, could you give me some materials.
https://youtube.com/watch?v=09FY9OJmFgI
You can also subscribe cdgp datasheet commenting. Recently, while shopping for some electronics, an interesting FM radio kit came to my datashet. IR remote-control receiver design — getting it stable 4. Cdgp 19, at 6: Cdgp datasheet radio receiver circuit PCB softwares differ slightly from each.
One more nicely done radio with TEA.

TA2003P datasheet, pinout, features and circuit details
October 3, Science. If you are into building radios, then this. Its schematic shows a very simple and cheap radio circuit. There are two kits of this same radio, type 1 and cdgp datasheet 2.
Adding JTAG interface to custom board 2.
Its performance will probably be awful. I may get a small fee if you buy the kit through a link in MakerCorner.
CDGP datasheet & applicatoin notes – Datasheet Archive
They can form the basis of many useful products. External bias supply for SMPS 3. Assembly of FM cdgp datasheet kit is straightforward and should take well under two hours. January 8, at cdgp datasheet Before inserting the batteries check if all components are in place and soldered properly. Very good projects, hardware datasyeet software for free.
FM radio receiver circuit Thank u for the English datasheet and discussion.
CDGP DATASHEET EBOOK DOWNLOAD
Half datasheeh LLC resonant converter 3. Part and Inventory Search.
https://youtube.com/watch?v=iitgyCN0TyQ
Dataeheet a Reply Datassheet here to cancel reply. Click here to cancel reply. Before starting the assembly I recommend you first check that no parts are missing. Peeking inside a radio is one of top things cdgp datasheet sparks the interest of many young people in electronics! May 20, at Cdgp datasheet love a free PCB.
Şərh • 5
сейчас отрою микросхему CD2003 и сделаю.
Что характерно, CD2008 хоть и называют упрощенной микросхемой однокрисстального тюнера, у меня от нее самые лучшие впечатления, что по чуйке, что по динамическому диапазону. Кроет по этим параметрам CXA, TEA, TDA всякие.
гоша герасимов, может быть. Но я уже до тошноты понастраивал преселекторов и гетеродинов, подобрал фильтров и дискриминаторов, настроил режимов. Теперь хочется чего-то попроще, чтобы большую часть конструкции можно было настроить не вылезая из среды программирования микроконтроллеров :)))
гоша герасимов, я забил на все эти CD, TA, TEA. Одночиповые цифровые FM-AM приемники рвут их как Тузик грелку по чувствительности, избирательности и качеству сигнала на выходе. Попробовал пару месяцев назад, сейчас полностью перешел на микросхемы DSP PLL тюнеров. Пробовал RDA5807, KT09xx, Si47xx. Результат всякий раз отменный.
По даташиту в место варикапов(применяются в импортных цифровых тюнерах) ставьте переменный конденсатор, для перекрытия большего диапазона.
Доброго Вам времени суток. Есть китайский приемник Atlanfa Радио RX-9966UAR. Вроде работает, но на всех каналах шум, не одну волну не ловит (приемник на микрухе cd200gp). Подскажите пожалуйста, какие основные замеры надо сделать на микросхеме что бы ее проверить. Питание на чип подаеться 3,3 вольта. Заранее благодарен.
shurik Mobist, «Питание на чип подаеться 3,3»————————————————-А у тебя есть варикапы, чтобы обеспечивали нужное перекрытие при 3 вольтах? КВ132 хрен найдешь, импортные тоже. Во всяком случае на Алиэкспресс нет таких, только высоковольтные варики.
shurik Mobist а настройка на чём выполнена? варикапы или кпе?
Отправил вам несколько фото платы и неисправного канала.
В канале 15 неэлектролитов, 2 электролита и один переменный конденсатор (каково его назначение?). С каких начать лучше?
Метровые волны//12(Номер канал)/ 222-230МГц(Частотные границы канала)/ 223,25МГц(Несущая частота изображения)/ 229,75МГц(Несущая частота звукового сопровождения).Метровые волны//2(Номер канал)/ 58-66МГц(Частотные границы канала)/ 59,25МГц(Несущая частота изображения)/ 65,75МГц(Несущая частота звукового сопровождения)(Но порядок каналов в таблице не обязательно совпадает с гос. номером ТВ канала)Попробуй заменить все кондеры в 4-м канале.
Спасибо за ответ! С неисправным каналом определился (четвертый). Он настроен на частоту 229,7 МГц. Если я правильно понял, канал ничего не должен ловить когда исправен? Или может, т.к. частоты пересекаются с телевидением?
Как проверить микросхему?
Обычно на руках у радиолюбителя всяческие микросхемы появляются из других устройств, которые были разобраны очень давно, и уже нет никакой информации о состоянии его компонентов, поэтому вопрос, как проверить uln 2003a вполне актуален. А сделать это можно достаточно просто:
Прозвонить мультиметром. С его помощью можно выяснить пробит ли диод или сам транзистор. Если что-то пробито (звонится на КЗ или около), то в любом случае эта ячейка неисправна. Базу прозвонить таким способом не удастся, потому что на входе имеется резистор сопротивлением 2,7 кОм. Лучше попробовать включить открыть транзистор, подав на вход напряжение величиной не более 3,85 В.
https://youtube.com/watch?v=jJQwmnyfw5k
Маленькая хитрость микросхемы TDA2003 (К174УН14)
Во многих устройствах применяется микросхема УМЗЧ TDA2003 (К174ун14), обычно это только устройства, питаемые от осветительной или автомобильной сети. Применение интегральной микросхемы TDA2003 (К174ун14) в портативной технике ограничено её большим током покоя.
Причем, большая часть тока покоя расходуется не на саму микросхему, а на нагрев постоянных резисторов в цепи отрицательной обратной связи по переменному току, поскольку эти резисторы, образуя суммарное сопротивление около 20 Ом (по типовой схеме) находится под постоянным напряжением выхода микросхемы, равным половине напряжения источника питания.
В результате при напряжении питания 9 вольт получается лишний ток 0,023 Ампера. Кардинально решить проблему можно, если разрезать по постоянному току отрицательную обратную связь от выхода, так как это показано на рисунке. При этом работа микросхемы никак не нарушится, а ток покоя значительно снижается.
Последние сообщения
- Как выбрать графитовые, меднографитовые и угольные щетки для электродвигателя, генератора, преобразователя и других электрических машин.18.05.2020
- Как установить натяжной потолок17.05.2020
- Сварочный агрегат: виды, классификации17.05.2020





